EasyManua.ls Logo

Truper GEN-55X - Diagrama Eléctrico

Truper GEN-55X
32 pages
Print Icon
To Next Page IconTo Next Page
To Next Page IconTo Next Page
To Previous Page IconTo Previous Page
To Previous Page IconTo Previous Page
Loading...
13
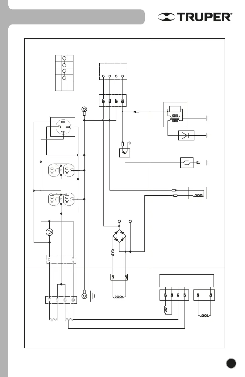
Diagrama eléctrico
Amarillo /
Verde
Negro
Bujía
Amplificador
Interruptor de
nivel de aceite
Bobina
de encendido
AVR
Blanco
Rojo
Café
Blanco
Azul
Azul
Interruptor del motor
Devanado conductor
Devanado
de campo
Devanado
Amarillo /
Verde
Tierra
Sección de potencia
Sección del motor
Sección del panel
Amarillo /
Verde
Negro
Amarillo
Solenoide de
combustible
Naranja Naranja
4
3
2
1
OFF
ON
Estado del interruptor
1 2 3 4
Devanado D. C.
Naranja
Naranja
DC 12V+
DC 12V-
Interruptor
automático
Gris
Gris
Rojo
Blanco
Negro
Rojo
Blanco
Blanco
Negro
Devanado
principal
Blanco
Amarillo /
Verde
Amarillo /
Verde
Negro
Rojo
Blanco Blanco
Negro
Blanco
Rojo
Protector
ESPAÑOL

Related product manuals