EasyManua.ls Logo

Tsonic TUF-2000B - Page 32

Default Icon
38 pages
Print Icon
To Next Page IconTo Next Page
To Next Page IconTo Next Page
To Previous Page IconTo Previous Page
To Previous Page IconTo Previous Page
Loading...
>> Ultrasonic Flow meter User Manual
31
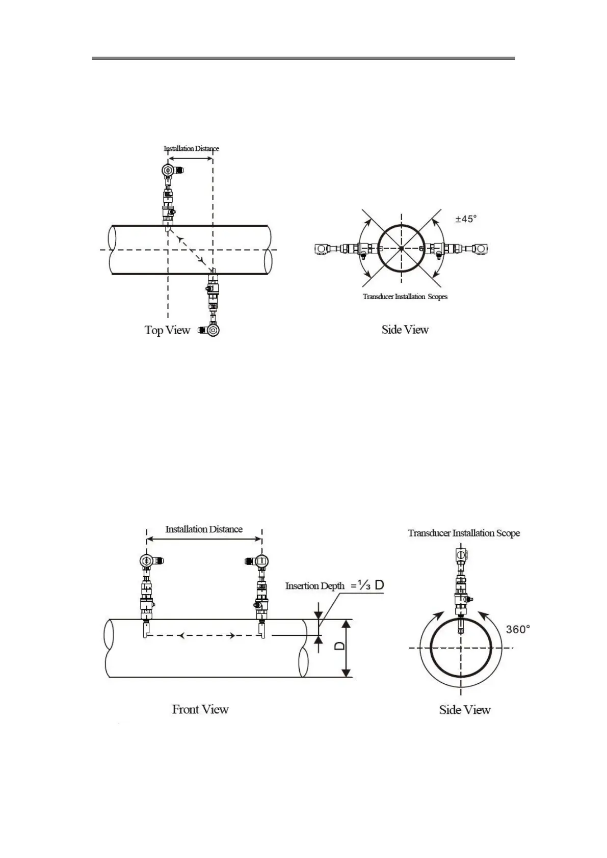
>> Z method
Z method can be used for all pipes > DN50mm. Make sure the vertical distance of two
transducers equals to the installation distance, and the two transducers are on the same axis surface.
The transmit direction mush be opposite.
>> Parallel insertion
If there is insufficient installation space or the transducers can be only installed on the top of
pipeline, parallel insertion transducer will be a good choice. (Pipe size 300)
Positioning of parallel insertion transducer need to meet the 3 factors as follow:
Installation distance = Vertical distance of two transducers along the pipe axis direction
Make sure two transducers are in the same horizontal line,
Insertion depth = 1/3 inner diameter
Users can set the distance between transducers by themselves. Recommend 300~500mm