EasyManua.ls Logo

TYM T430 - Page 112

TYM T430
301 pages
Print Icon
To Next Page IconTo Next Page
To Next Page IconTo Next Page
To Previous Page IconTo Previous Page
To Previous Page IconTo Previous Page
Loading...
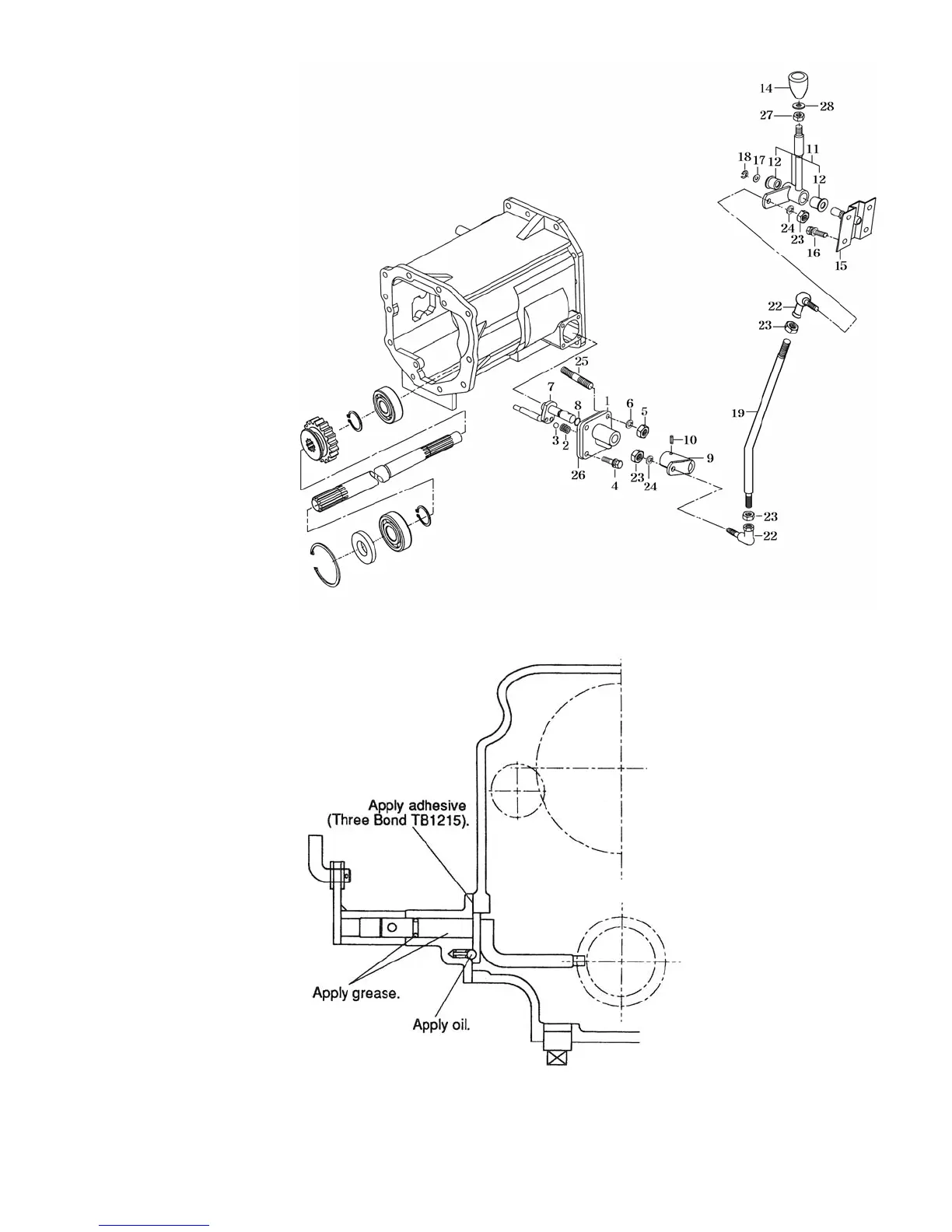
(4) Front drive change (4 WD shaft) mechanism
1.Metal(shifter)
2.Shifter spring
3.Steel ball
4.Bolt
5.Nut
6.Washer spring
7.Arm comp
8.O-ring
9.Arm(plate)
10.Spring pin
11.Lever(bar,12)
12.Bush
14.Knob
15.Bracket
16.Bolt
17.Tension arm washer
18.Snap ring
19.Rod
22.Elbow
23.Nut
24.Washer spring
25.Stud
26.Packing
5-40
Fig.5-77
Fig.5-76

Table of Contents

Related product manuals