EasyManua.ls Logo

TYM T450 - Page 124

TYM T450
301 pages
Print Icon
To Next Page IconTo Next Page
To Next Page IconTo Next Page
To Previous Page IconTo Previous Page
To Previous Page IconTo Previous Page
Loading...
SECTION 3. DISASSEMBLY,INSPECTION,AND REASSEMBLY
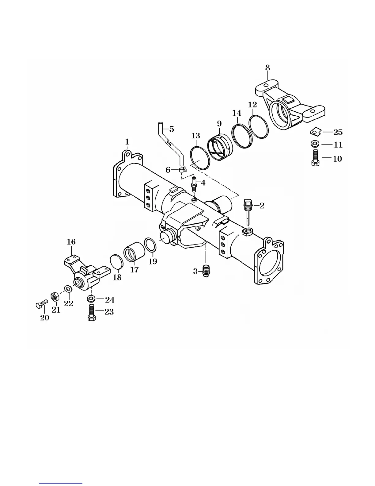
1. CENTER PIVOT
6-3
1.Housing,front axle
2.Oil cap
3.Plug
4.connector
5.Hose(820)
6.Clamp,(worm/14.5)
8.Metal,pivot(R)
9.Bush(75X80X30)
10.Bolt (M16X40)
11.Washer,spring(M16)
12.O-ring(P)
13.O-ring
14.Spacer (R)
16.Metal pivot(F)
17.Bush(50X55X20)
18.Spacer (F)
19.O-ring(G 55)
20.Bolt
21.Nut
22.Seal washer
23.Bolt(M12X40)
24.Washer spring
Fig.6-3

Table of Contents

Related product manuals