EasyManua.ls Logo

TYM T450 - Page 227

TYM T450
301 pages
Print Icon
To Next Page IconTo Next Page
To Next Page IconTo Next Page
To Previous Page IconTo Previous Page
To Previous Page IconTo Previous Page
Loading...
9-15
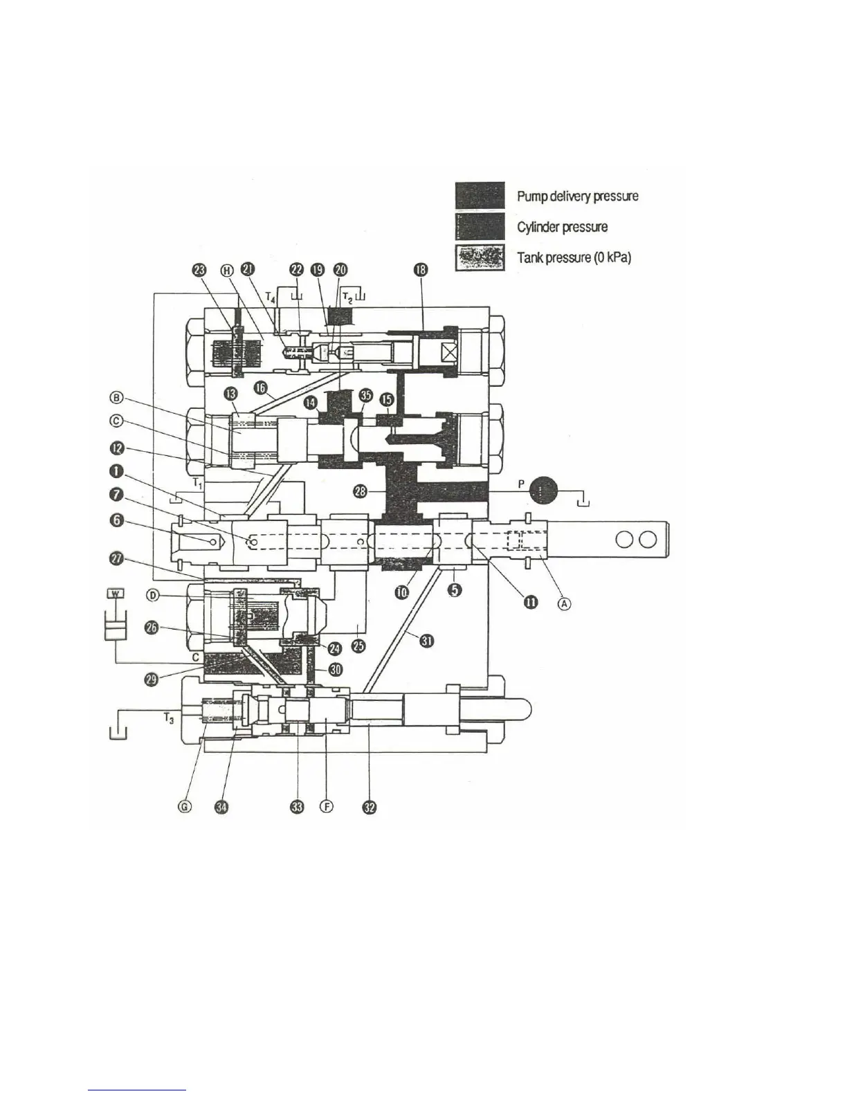
1-4 OPERATION
The valve operation is explained here referring to Fig.9-16 to 18.
Port P means”pump port” and is concerned to the pump,while port C means “Cylinder port”,and is
connected to the cylinder.Drain port T1 to T4 are connected to the tank.
1) Neutral position
In the neutral position,orifice (7) is closed,orifice(16) is open,and chamber(1) is connected to port T4
through passages in the order of passage(12),chamber(13),passage(16),chamber(19),orifice(20),and
chambers(21 and 22).As chamber(1) is connected with the unloading valve spring chamber(13)
through passage(12),the pressure in the unloading valve spring chamber(unloading pilot pressure) is
0 Kpa(0 Kgf/).Therefore the force imposed upon the left-hand side of the unloading valve is only
that of the spring (C) . Then the fluid from the pump flows into chamber(15) through port P and
passage(28) and shifts spool (unloading valve 1) to open orifice(35).Through the orifice it flows out
into the tank through chamber(14) and port T2.Its pressure is enough to resist the force of
spring(C) :7-8Kgf/(100-114 psi).
Fig.9-24

Table of Contents

Related product manuals