EasyManua.ls Logo

TYM T450 - Page 230

TYM T450
301 pages
Print Icon
To Next Page IconTo Next Page
To Next Page IconTo Next Page
To Previous Page IconTo Previous Page
To Previous Page IconTo Previous Page
Loading...
9-18
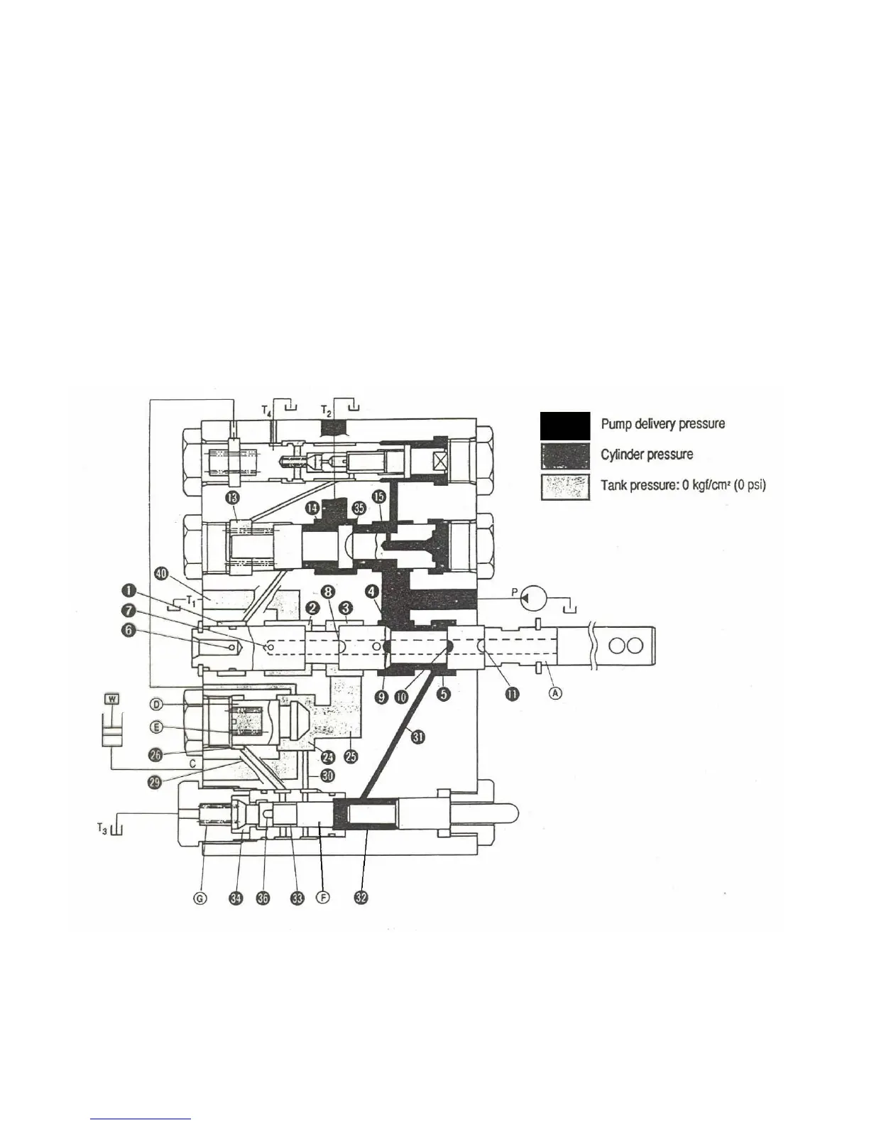
In the same manner as in the neutral position,unloading pilot pressure becomes 0 Kgf/(0 psi)
And almost all fluid delivered by the pump flows out into the tank through chamber(15), orifice(35),
and chamber(14).Pump delivery pressure becomes7-8 Kgf/(100-114psi).Orifice (10) is opened,
allowing part of the fluid delivered by the pump to flow into chamber(5) and through passage(31)
into chamber(32).
All pump delivery pressure [7-8 Kgf/(100-114psi)] is imposed upon the right hand side of pilot
spool(F) in this stage,the spool is shifted leftwards overcoming the force of spring(9).By this shifting,
passage(30) is closed and chamber(26) is connected to port T3 through passage(29), chamber(33),
orifice(36),and chamber(34).consequently the force imposed upon the left hand side of check valve
poppet(D) becomes that of spring(E) alone.On the other hand,cylinder holding pressure is imposed
upon the right-hand side surface of the poppet except the area covered by the seat,and the poppet is
shifted to open.By this action,the fluid from the cylinder flows out and into the tank from port T1
Through chamber(24),chamber(25),orifice(8),chamber(2) and passage(40),so the piston is released.
When the opening of orifice(8) is small,some pressure is built up in chamber(3) and works as braking
pressure to control the lowering speed of the lift.Of course when the orifice is opened fully,no
braking pressure is built up,so the lift lowers at full speed.
Fig.9-26

Table of Contents

Related product manuals