EasyManua.ls Logo

TYM T503 - Page 112

TYM T503
120 pages
Print Icon
To Next Page IconTo Next Page
To Next Page IconTo Next Page
To Previous Page IconTo Previous Page
To Previous Page IconTo Previous Page
Loading...
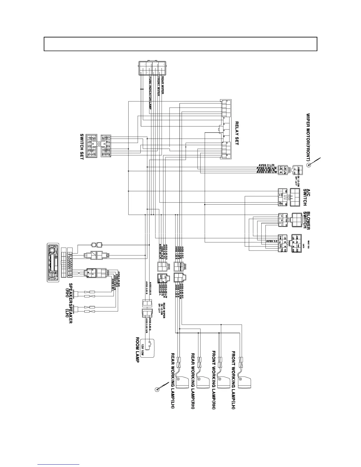
T433/T503/T553 CABIN WIRING DIAGRAM (2)
108

Table of Contents

Related product manuals