EasyManua.ls Logo

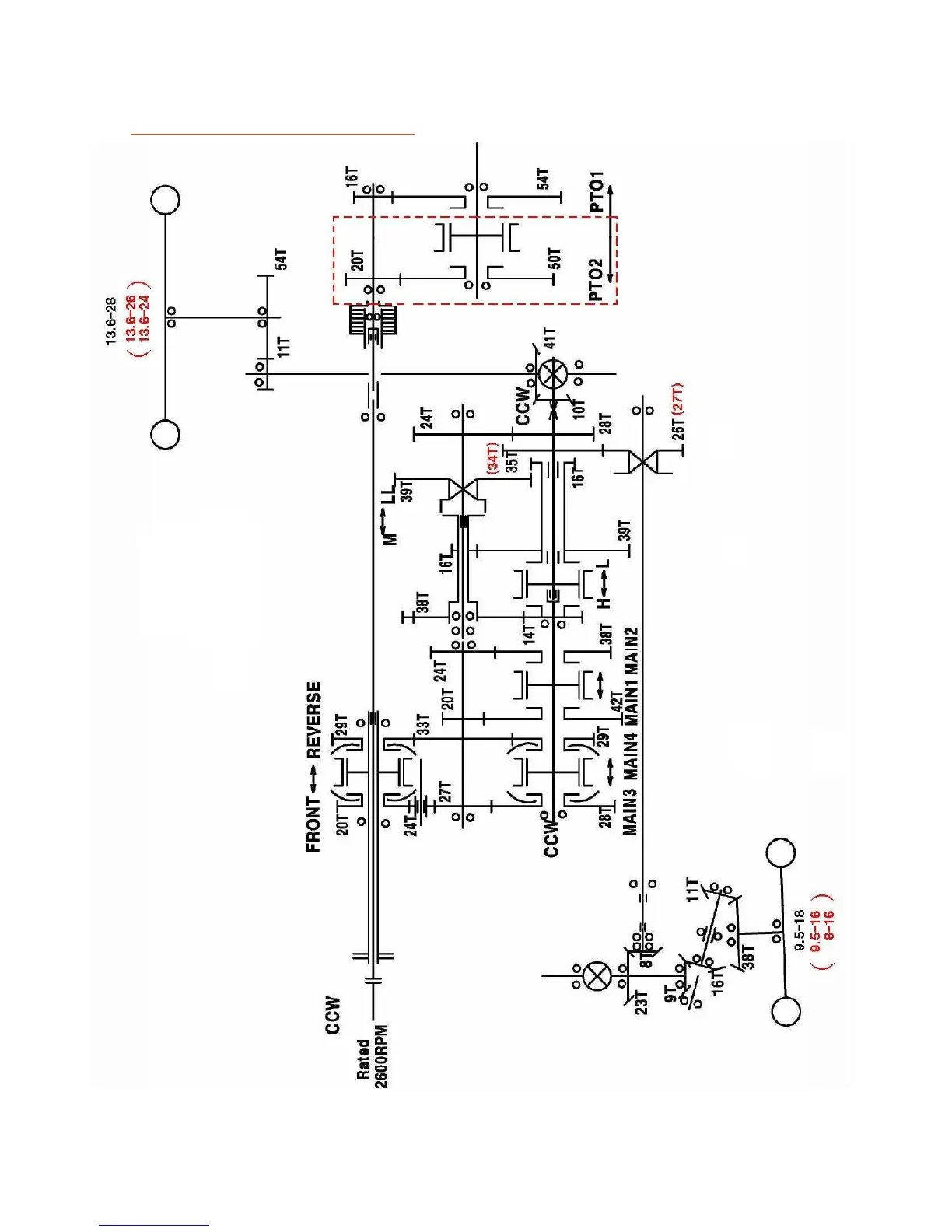
TYM T503 - Power Train Diagram

TYM T503
120 pages
Print Icon
To Next Page IconTo Next Page
To Next Page IconTo Next Page
To Previous Page IconTo Previous Page
To Previous Page IconTo Previous Page
Loading...
T553(T433/T503) POWER TRAIN
111

Table of Contents

Related product manuals