Home
Ungo
Car Alarm
MS2000
Page 15 (Driver Door Priority Wiring Diagrams)
Ungo MS2000 - Driver Door Priority Wiring Diagrams
17 pages
Manual
Save Page as PDF
To Next Page
To Next Page
To Previous Page
To Previous Page
Loading...
MS2000 Installation Manual - Page 14
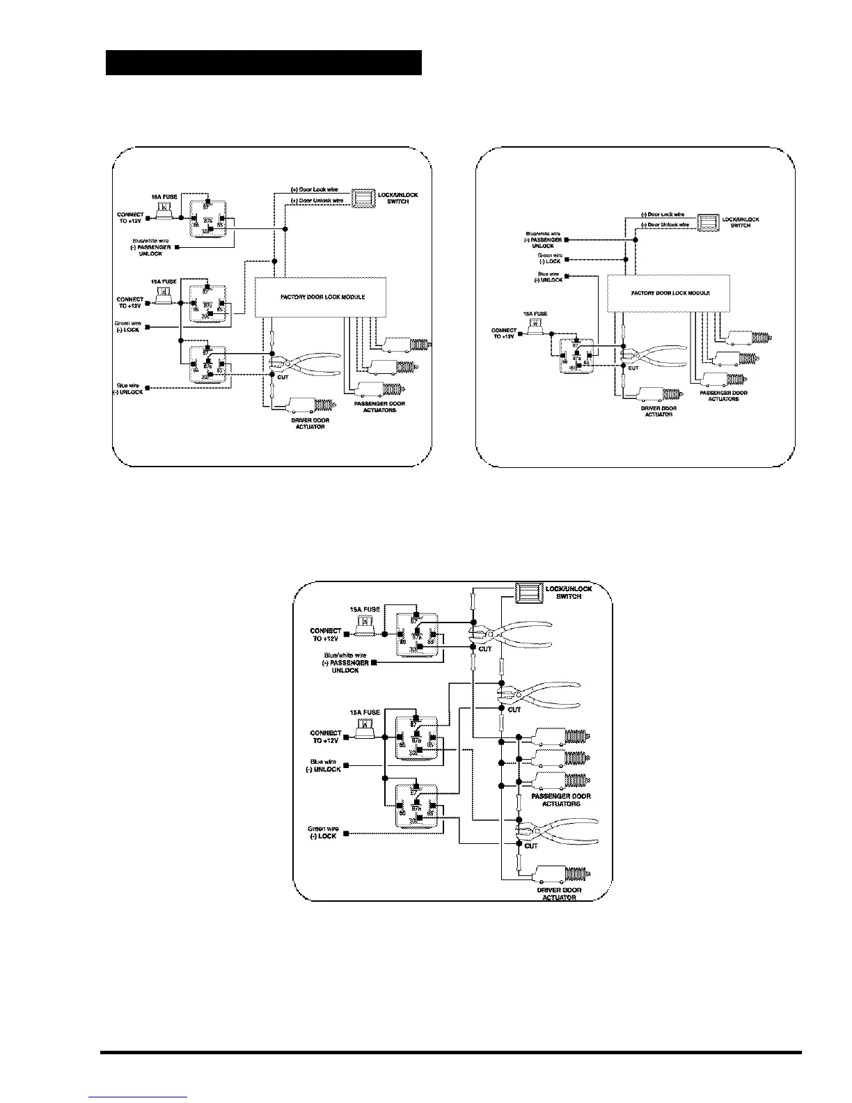
Driver Door Priority Wiring Diagrams
Positive Pulse Door Lock System
with Driver Door Priority
Negative Pulse Door Lock System
with Driver Door Priority
Reverse Polarity Door Lock System
with Driver Door Priority
14
16
Table of Contents
Main Page
Default Chapter
1
Table of Contents
1
1 Before You Begin
2
2 Installation Tips
2
3 Mounting Components
3
4 Wiring Description
4
5 Wiring Diagram
5
6 Parking Light Jumper Settings
5
7 Basic Operation
6
Remote Transmitter Layout
6
Optional Driver Door Priority Feature
6
Remote Arming
6
Remote Sensor Bypass
7
Remote Disarming
7
Tamper Alert
7
Silent Arming / Disarming
8
Arming Mode Selection
8
Passive Arming
8
Panic Mode
8
Automatic System Rearming
9
Full Time System Diagnostics
9
Valet Mode
9
Adding a New Transmitter
9
Deleting Transmitters
10
8 Programming
11
Entering System Programming
11
System Initialization and Default Reset
11
Programmable System Parameters
11
9 Shock Sensor
13
Sensor Test Mode
13
Starter Defeat
13
Door Lock Diagrams
14
Driver Door Priority Wiring Diagrams
15
Dome Light
16
Tech Tips
16
11 Reference Chart
17