EasyManua.ls Logo

Unic URW295CR - Hydraulic Circuit Diagram (Control Valve)

Unic URW295CR
125 pages
Print Icon
To Next Page IconTo Next Page
To Next Page IconTo Next Page
To Previous Page IconTo Previous Page
To Previous Page IconTo Previous Page
Loading...
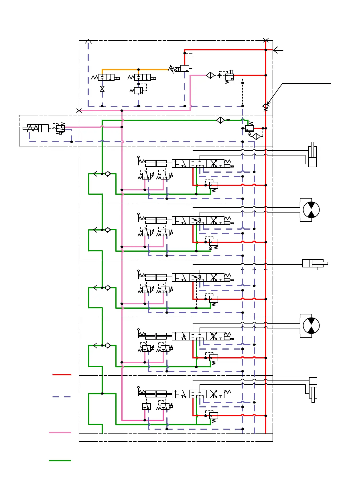
11.2HydraulicCircuitDiagram(controlvalve)
(11−2)
Accelerator
GaugePort
Pilotpressure
GaugePort
In‑out
RaiseLower
UpDown
RetractExtend
C.WC.C.W
Ext.
Highpressureline
Tankline
Pilotpressureline
Feed‑backline
Hydraulicmotortype
⇒Internalpilottype
Slewing
Telescope
Hoist
Derrick
Outrigger
Raise
Lower
Up
Down
Retract
Extend
C.W
C.C.W
Solenoidvalve
forstoringhook
Solenoidvalve
forunloading
Mainreliefvalve
Backpressurevalve
Pressureregulator
valve
Frompump
Tank
Pressurereducing
valve
Setbolt
Emergencyscrew

Related product manuals