EasyManua.ls Logo

Unic URW295CR - Oil Flow When Derrick Cylinder is Raising

Unic URW295CR
125 pages
Print Icon
To Next Page IconTo Next Page
To Next Page IconTo Next Page
To Previous Page IconTo Previous Page
To Previous Page IconTo Previous Page
Loading...
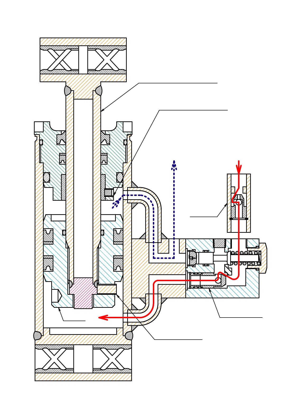
15.2 Flowofoil,whenraising
Piston
Rod
Apply"LockTight"638"here
Pressureoil
Tunk
CheckValve
opens.
Hezagonsocketheadscrew
Forpistonturnstop
Hezagonsocketheadscrew
forgland‑bushturnstop
(15−2)
Counter‑BalanceValve
CheckValveopens.
Spoolopens
Apply"Locktight#2701"With"Curingaccelerator
#7649"Iftheaddeleraterisnotused,
donotflowoftheagent.Afterthescrewis
tightened,hitwithapinchat2placeson
itscircumference.
Apply"Locktight#2701"With"Curingaccelerator
#7649"Iftheaddeleraterisnotused,
donotflowoftheagent.Afterthescrewis
tightened,hitwithapinchat2placeson
itscircumference.

Related product manuals