EasyManua.ls Logo

Unic URW295CUR - Hydraulic Circuit Diagram (Control Valve)

Unic URW295CUR
155 pages
Print Icon
To Next Page IconTo Next Page
To Next Page IconTo Next Page
To Previous Page IconTo Previous Page
To Previous Page IconTo Previous Page
Loading...
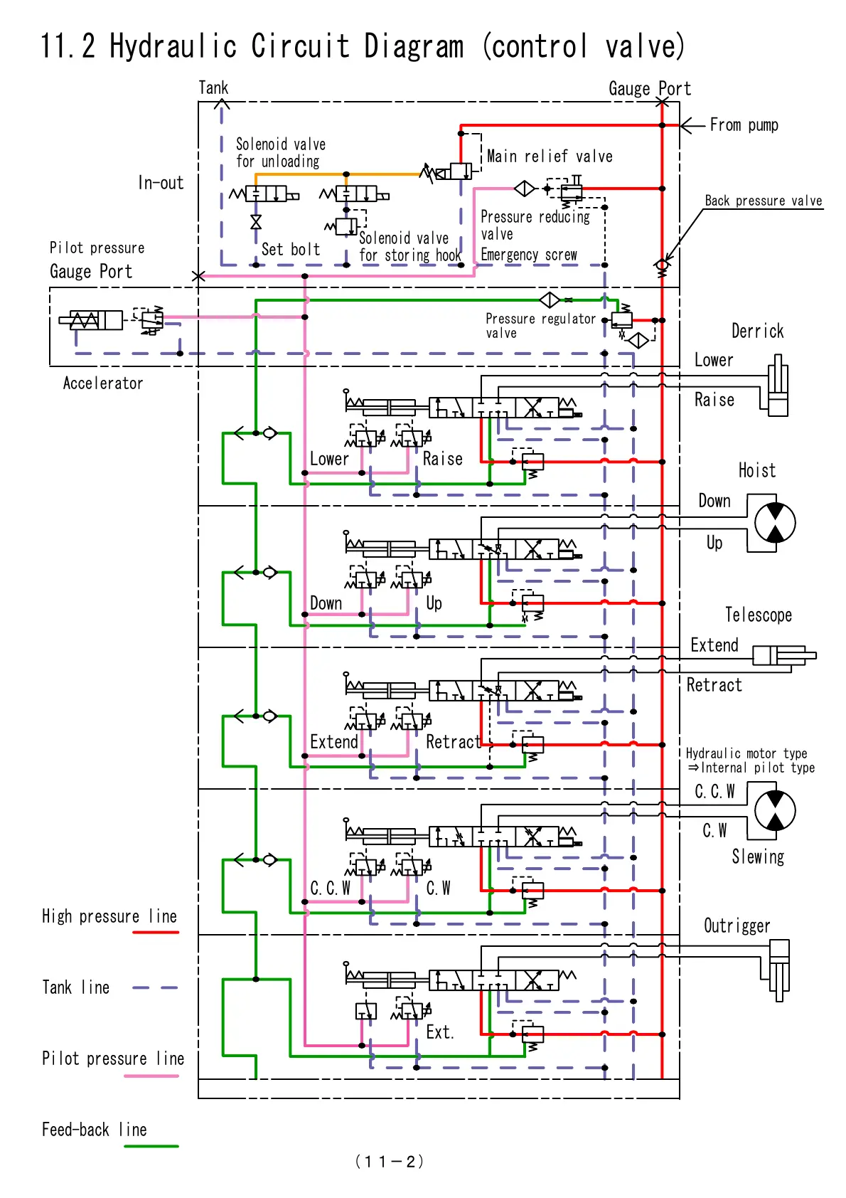
11.2 Hydraulic Circuit Diagram (control valve)
󲥵11-2)
Accelerator
Gauge Port
Pilot pressure
Gauge Port
In-out
RaiseLower
UpDown
RetractExtend
C.WC.C.W
Ext.
High pressure line
Tank line
Pilot pressure line
Feed-back line
Hydraulic motor type
⇒Internal pilot type
Slewing
Telescope
Hoist
Derrick
Outrigger
Raise
Lower
Up
Down
Retract
Extend
C.W
C.C.W
Solenoid valve
for storing hook
Solenoid valve
for unloading
Main relief valve
Back pressure valve
Pressure regulator
valve
From pump
Tank
Pressure reducing
valve
Set bolt
Emergency screw
Courtesy of Machine.Market

Related product manuals