EasyManua.ls Logo

Unic URW295CUR - Slewing Mechanism; Slewing Reduction Gear Construction

Unic URW295CUR
155 pages
Print Icon
To Next Page IconTo Next Page
To Next Page IconTo Next Page
To Previous Page IconTo Previous Page
To Previous Page IconTo Previous Page
Loading...
󲥵19-1)
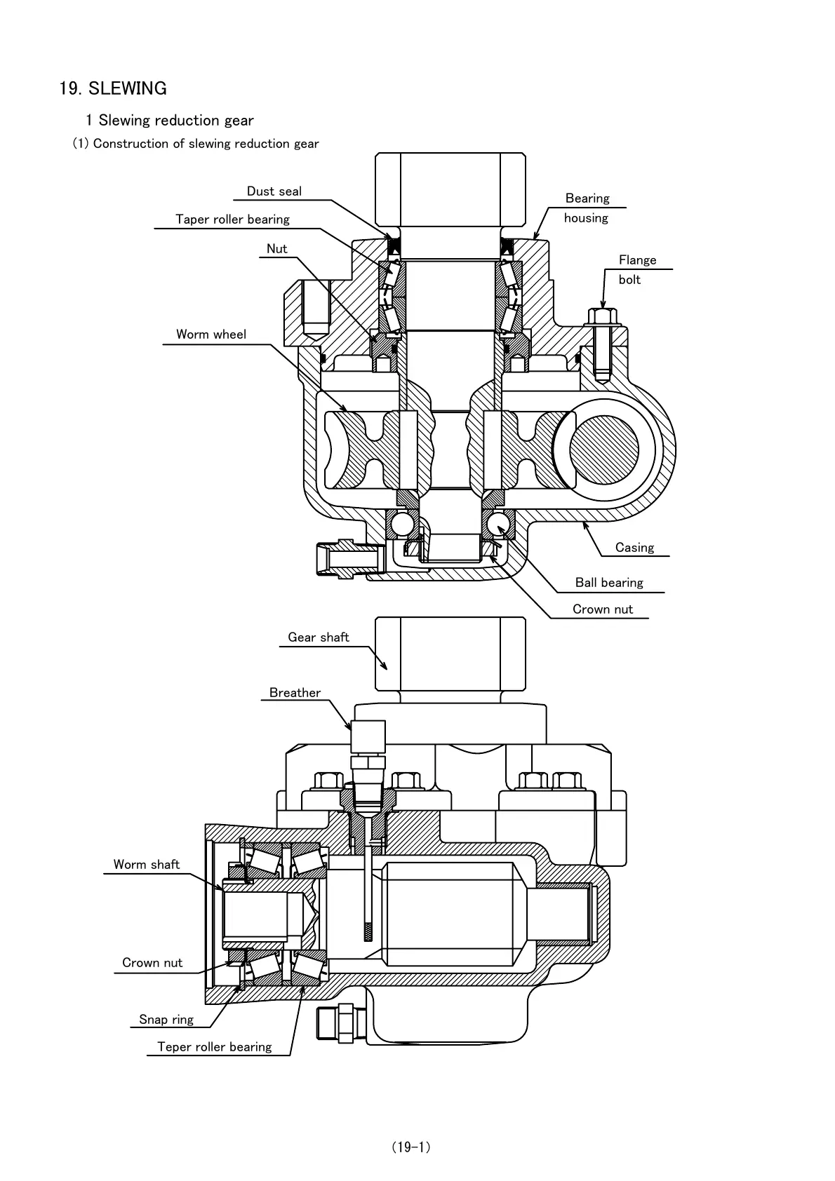
19. SLEWING
1 Slewi󲩦󲩟 re󲩜󲩭ctio󲩦 󲩟ear
(1󲨡 Co󲩦󲩫tr󲩭ctio󲩦 of 󲩫lewi󲩦󲩟 re󲩜󲩭ctio󲩦 󲩟ear
Ca󲩫i󲩦󲩟
Wor󲩥 w󲩠eel
Breat󲩠er
Gear 󲩫󲩠aft
Beari󲩦󲩟
󲩠o󲩭󲩫i󲩦󲩟
Crow󲩦 󲩦󲩭t
S󲩦a󲩨 ri󲩦󲩟
Te󲩨er roller 󲩚eari󲩦󲩟
Wor󲩥 󲩫󲩠aft
Ta󲩨er roller 󲩚eari󲩦󲩟
Ball 󲩚eari󲩦󲩟
Crow󲩦 󲩦󲩭t
D󲩭󲩫t 󲩫eal
Fla󲩦󲩟e
󲩚olt
N󲩭t
Courtesy of Machine.Market

Related product manuals