EasyManua.ls Logo

UTILEV UT13PTE - Hydraulic schematic diagram

UTILEV UT13PTE
29 pages
Print Icon
To Next Page IconTo Next Page
To Next Page IconTo Next Page
To Previous Page IconTo Previous Page
To Previous Page IconTo Previous Page
Loading...
1212
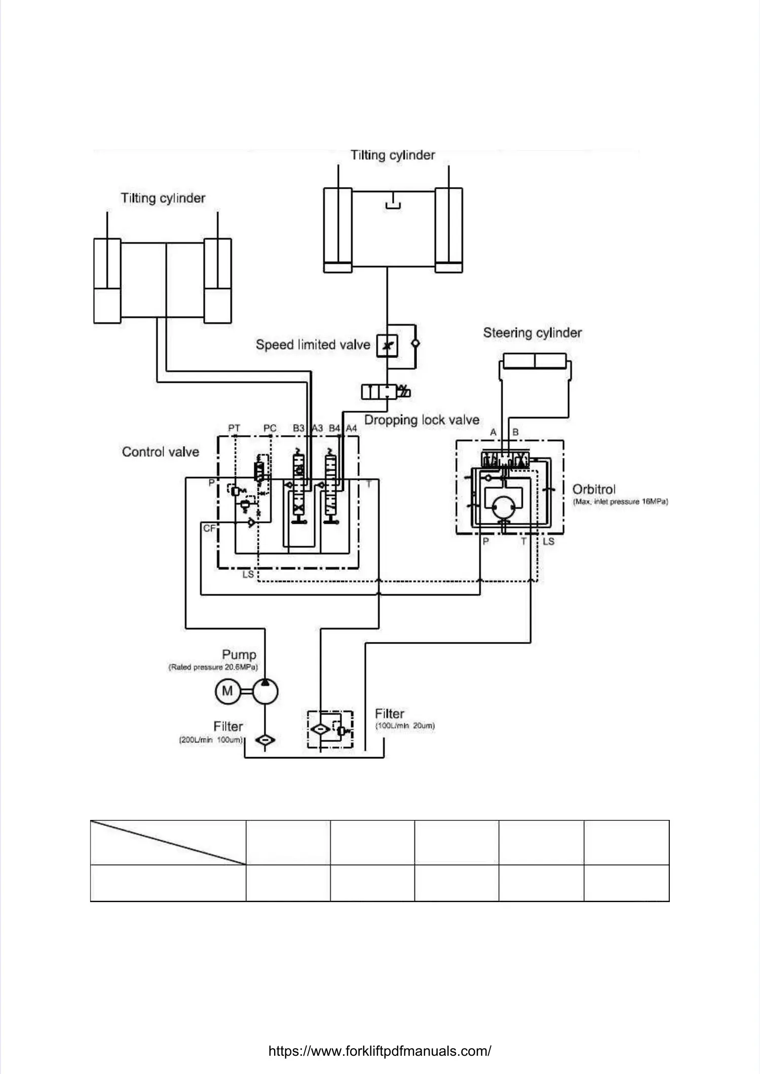
Hydraulic schematic diagramHydraulic schematic diagram
Figure 4-1 Hydraulic System Figure 4-1 Hydraulic System DiagramDiagram
TonnageTonnage
ItemItem
1.3 1.3 t t 1.5 1.5 t t 1.6 1.6 t t 1.8 1.8 t t 2.0 2.0 tt
Main relief valveMain relief valve
pressurepressure
14 14 MPa MPa 15.5 15.5 MPa MPa 15.8 15.8 MPa MPa 16.5 16.5 MPa MPa 17.5 17.5 MpaMpa
https://www.forkliftpdfmanuals.com/

Related product manuals