EasyManua.ls Logo

V2 SPA ALFARISS - Loading the Default Parameters; Self-Learning of the Limit Switch Position

V2 SPA ALFARISS
Print Icon
To Next Page IconTo Next Page
To Next Page IconTo Next Page
To Previous Page IconTo Previous Page
To Previous Page IconTo Previous Page
Loading...
ENGLISH
50
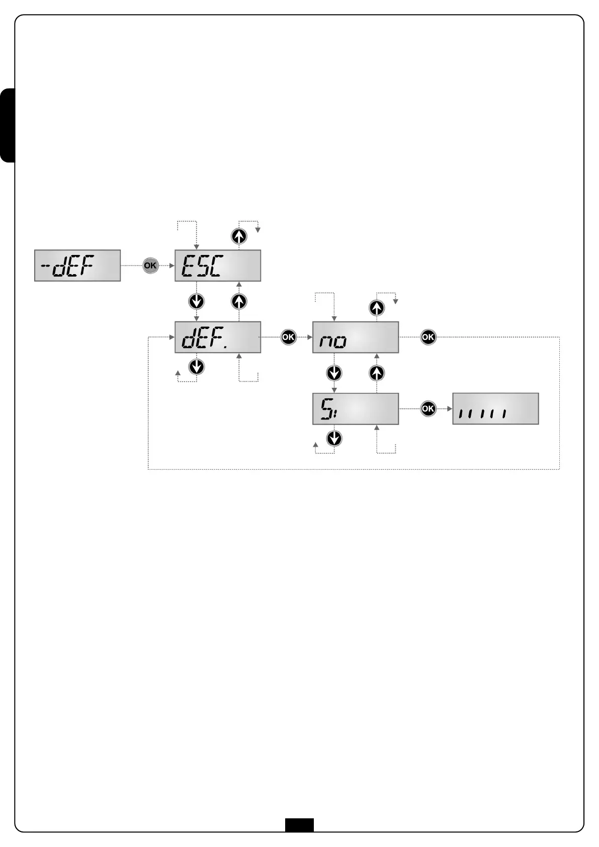
8 - LOADING THE DEFAULT PARAMETERS
If necessary, it is possible to restore all parameters to their standard or default values (see the final summary table).
m P
LEASE NOTE: This procedure results in the loss of all customised parameters, and hence it has been included outside the
configuration menu, in order to minimise the likelihood of it being run in error.
1. Press and hold the OK key until the display shows
-dEF
2. Release the OK key: the display shows ESC (only press the OK key if it is desired to exit this menu)
3. Press the
i
key: the display shows dEF.
4. Press the OK key: the display shows no
5. Press the
i
key: the display shows S
i
6. Press the OK key: all parameters are overwritten with their default values (see the table on pages 74-75), the control units exits
programming mode and the display shows the control panel.
9 - SELF-LEARNING OF THE LIMIT SWITCH POSITION
This menu allows automatically learning the end-stop positions in opening and closing.
m CAUTION: to perform the self-learning procedure it is necessary to disable the ADI interface by means of the menu i.Adi .
If some safeties are controlled by means of the ADI module, they will not be active during the self-teaching stage.
m CAUTION: ATTENTION: before proceeding, make sure to position the mechanical stops and the limit sensors correctly.
m ATTENTION: before proceeding set the dir parameter
1. Press and hold the OK key until the display shows
-SEt
2. Release the OK key: the display shows ESC (only press the OK key if it is desired to exit this menu)
3. Press the
i
key: the display shows APPr
4. Press the OK key to activate the working time self-training cycle: the display shows the control panel and starts the time self-training
procedure.
4.1 The gate will be activated in closing direction until the stop end or the closing end of stroke is reached
4.2 The gate will be activated in opening direction until the stop end or the opening end of stroke is reached
4.3 The gate will be activated in closing direction until the stop end or the closing end of stroke is reached
5. If the obstacle sensor has been enabled, the display shows the recommended value for the obstacle sensor. If no operations are
performed for 20 seconds, the control unit exits the programming phase, without saving the value recommended.

Table of Contents