EasyManua.ls Logo

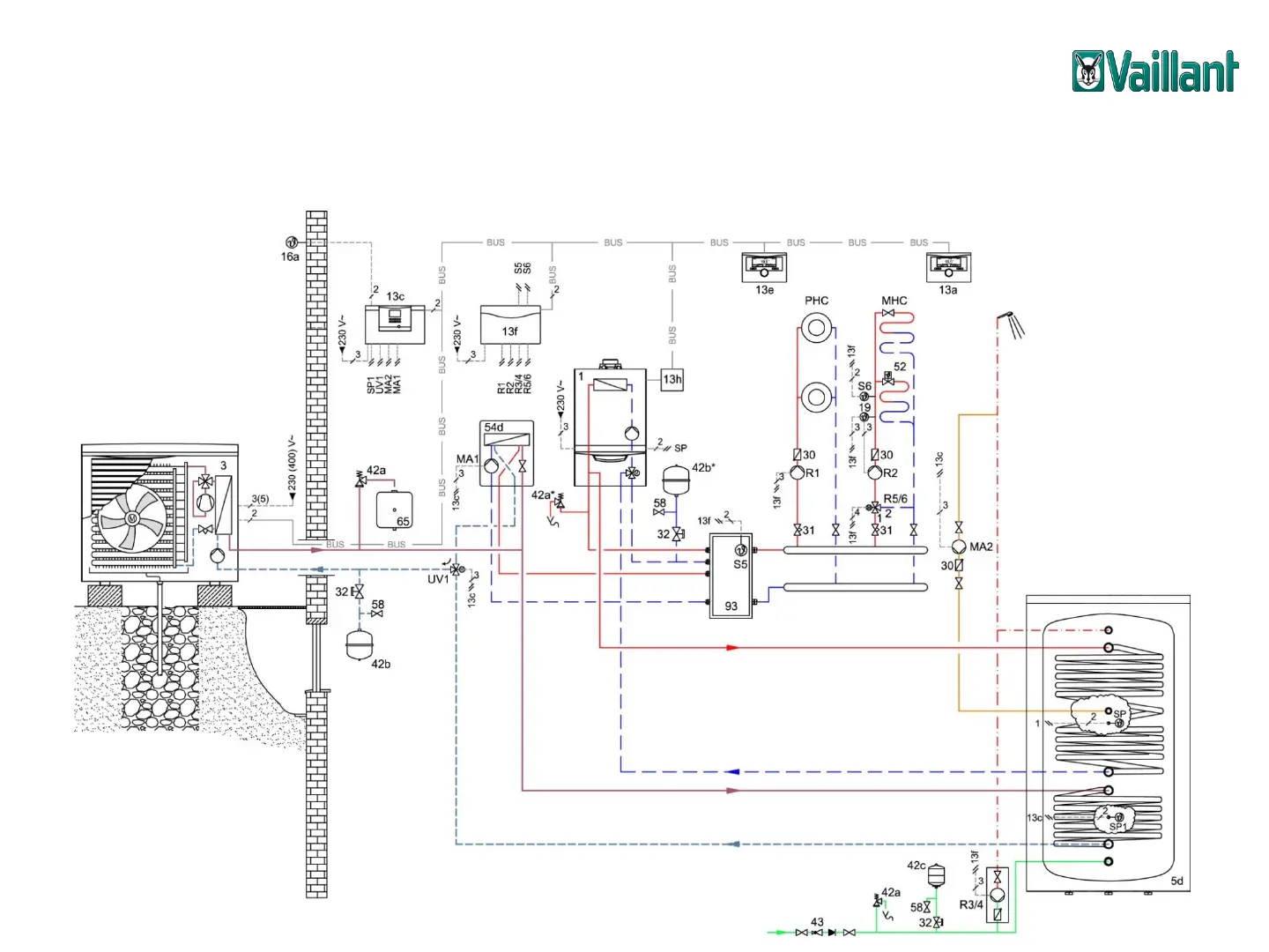
Vaillant multiMATIC 700 - System Diagram 13; Complete hybrid system with heat exchanger, auxiliary heater does not require pump of heat pump (DHW by heat pump and boiler)

Vaillant multiMATIC 700
13 pages
Print Icon
To Next Page IconTo Next Page
To Next Page IconTo Next Page
To Previous Page IconTo Previous Page
To Previous Page IconTo Previous Page
Loading...
No responsibility is taken for the correctness and completeness of this information
- Date 05/2015
Complete hybrid system with heat exchanger, auxiliary heater does not require pump of heat pump
(DHW by heat pump and boiler) (System diagram = 13, VR 70 configuration = 1)
11
System diagram 13

Related product manuals