EasyManua.ls Logo

VALBERG 978217 - Page 73

VALBERG 978217
227 pages
Print Icon
To Next Page IconTo Next Page
To Next Page IconTo Next Page
To Previous Page IconTo Previous Page
To Previous Page IconTo Previous Page
Loading...
66
FR
Utilisation de l’appareil
B
A
B
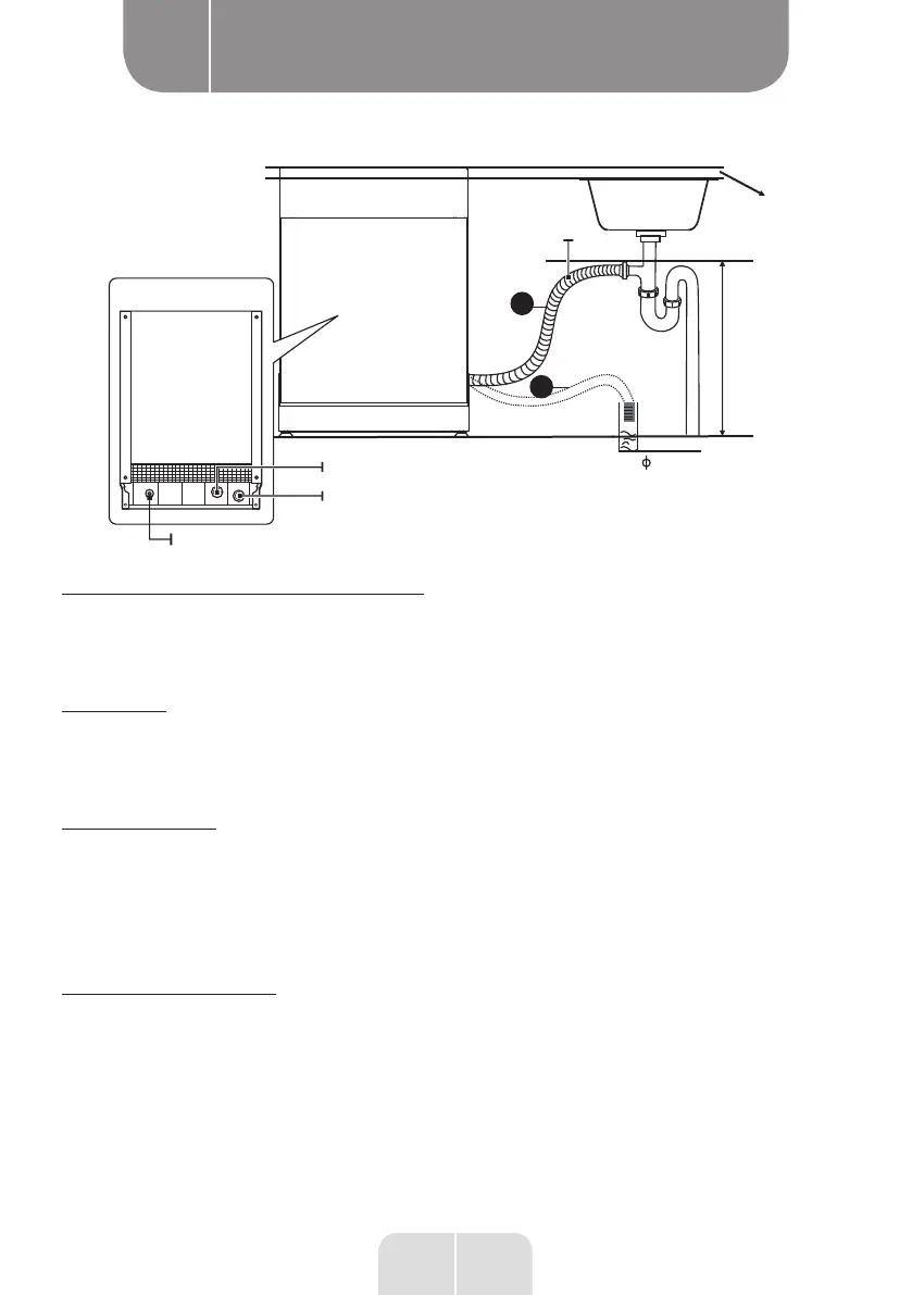
Arrivée d'eau
Cordon d'alimentation
Arrière du lave-vaisselle
Tuyau d'évacuation
Tuyau de vidange
40mm
MAX. 1000mm
Tuyau
d'évacuation
Plan de
travail
Évacuation de l'excédent d'eau des tuyaux
Si le raccord au tuyau d'évacuation est positionné à plus de 1000mm de haut, de l'eau
peut rester dans le tuyau. Il sera nécessaire de vider l'eau du tuyau dans un bol ou un autre
récipient adapté, situé à l'extérieur et plus bas que l'évier.
Sortie d’eau
• Raccordez le tuyau de vidange. Veillez à bien le fixer pour éviter les fuites d'eau.
• Assurez-vous que le tuyau de vidange n'est pas tordu ou écrasé.
Rallonge de tuyau
• Si vous avez besoin d'une rallonge de tuyau de vidange, assurez-vous d'utiliser un tuyau
de vidange similaire.
• Celui-ci ne doit pas mesurer plus de 4mètres, sinon les performances de nettoyage de
votre lave-vaisselle pourraient s'en trouver réduites.
Raccordement du siphon
Le raccord des eaux usées doit se trouver à une hauteur inférieure à 1000mm du bas de
l'appareil.
Positionnement de l'appareil
• Placez le lave-vaisselle à l'endroit souhaité. L'arrière de l'appareil doit reposer contre le
mur situé derrière lui, et les côtés contre les meubles ou murs adjacents.
• Ce lave-vaisselle est muni de tuyaux de vidange et d'alimentation en eau qui peuvent être
positionnés sur le côté gauche ou droit pour faciliter l'installation.

Related product manuals