EasyManua.ls Logo

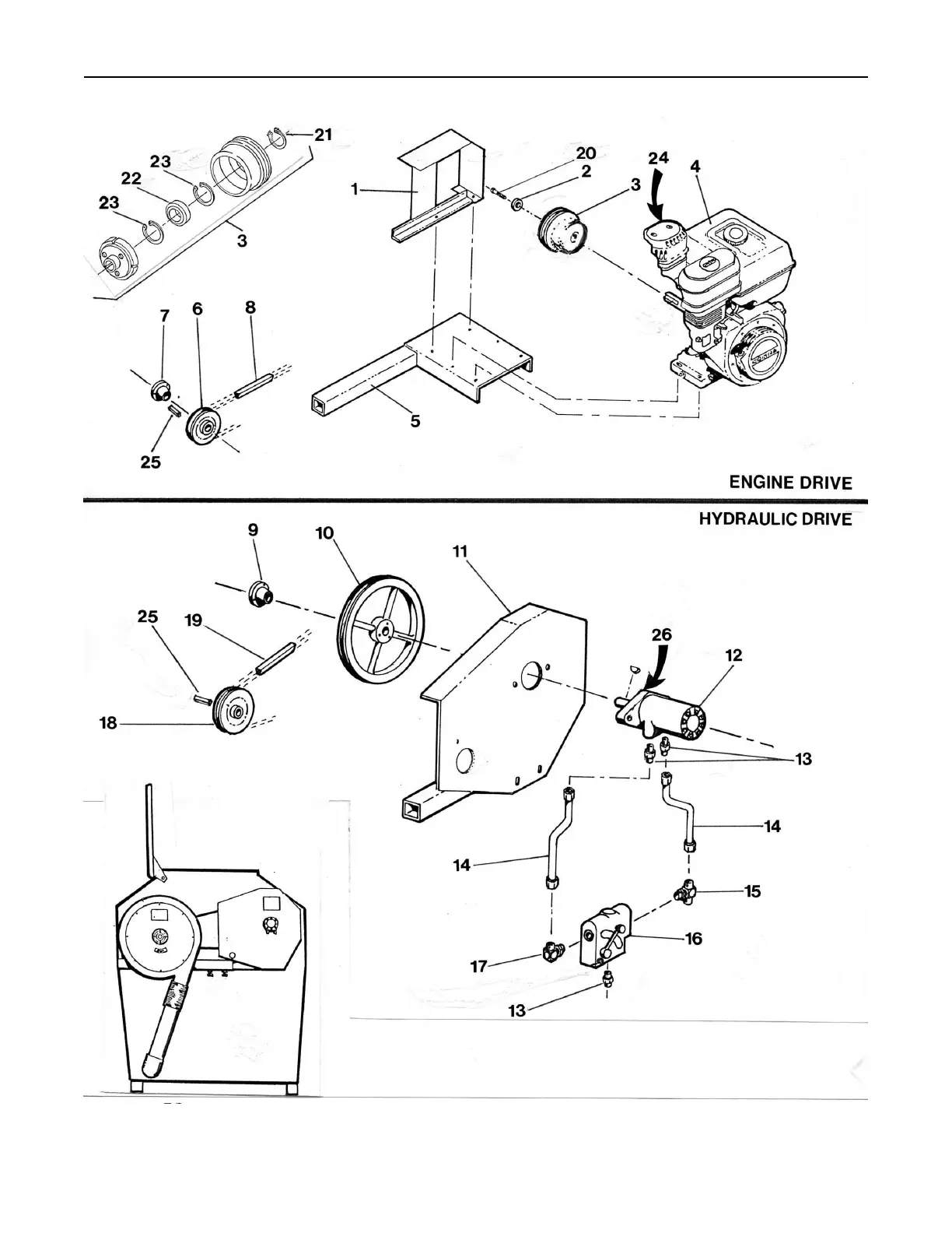
Valmar 2055 - Fan Assembly Parts List; Clutch Assembly; Clutch Assembly Diagram and Parts List

Default Icon
78 pages
Print Icon
To Next Page IconTo Next Page
To Next Page IconTo Next Page
To Previous Page IconTo Previous Page
To Previous Page IconTo Previous Page
Loading...
Parts VALMAR
Page 50

Related product manuals