EasyManua.ls Logo

VALPRO VP1F-HC - Page 21

Default Icon
31 pages
Print Icon
To Next Page IconTo Next Page
To Next Page IconTo Next Page
To Previous Page IconTo Previous Page
To Previous Page IconTo Previous Page
Loading...
Service and Installation Manual
For warranty service, call 1-888-VALPRO8 / 1-813-502-0300 21
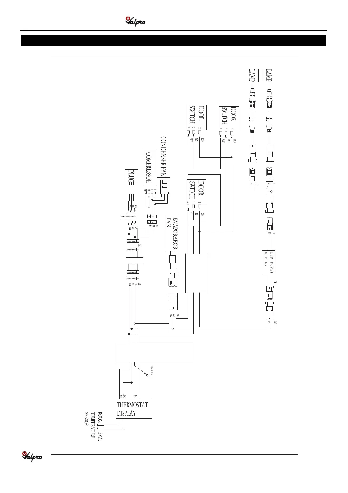
WIRING DIAGRAM
MODEL: VP3R-HC

Related product manuals