EasyManua.ls Logo

VALPRO VP1F-HC - Page 22

Default Icon
31 pages
Print Icon
To Next Page IconTo Next Page
To Next Page IconTo Next Page
To Previous Page IconTo Previous Page
To Previous Page IconTo Previous Page
Loading...
Service and Installation Manual
22 For warranty service, call 1-888-VALPRO8 / 1-813-502-0300
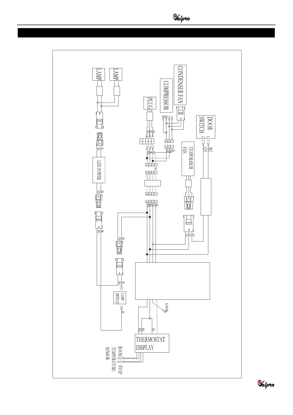
WIRING DIAGRAM
MODEL: VP1RG-HC

Related product manuals