EasyManua.ls Logo

Vantron VT-MOD-CELL-B48 - 5.2.1 USIM Interface Schematic Reference

Default Icon
31 pages
Print Icon
To Next Page IconTo Next Page
To Next Page IconTo Next Page
To Previous Page IconTo Previous Page
To Previous Page IconTo Previous Page
Loading...
VT-MOD-CELL-B48 Hardware User Manual
13
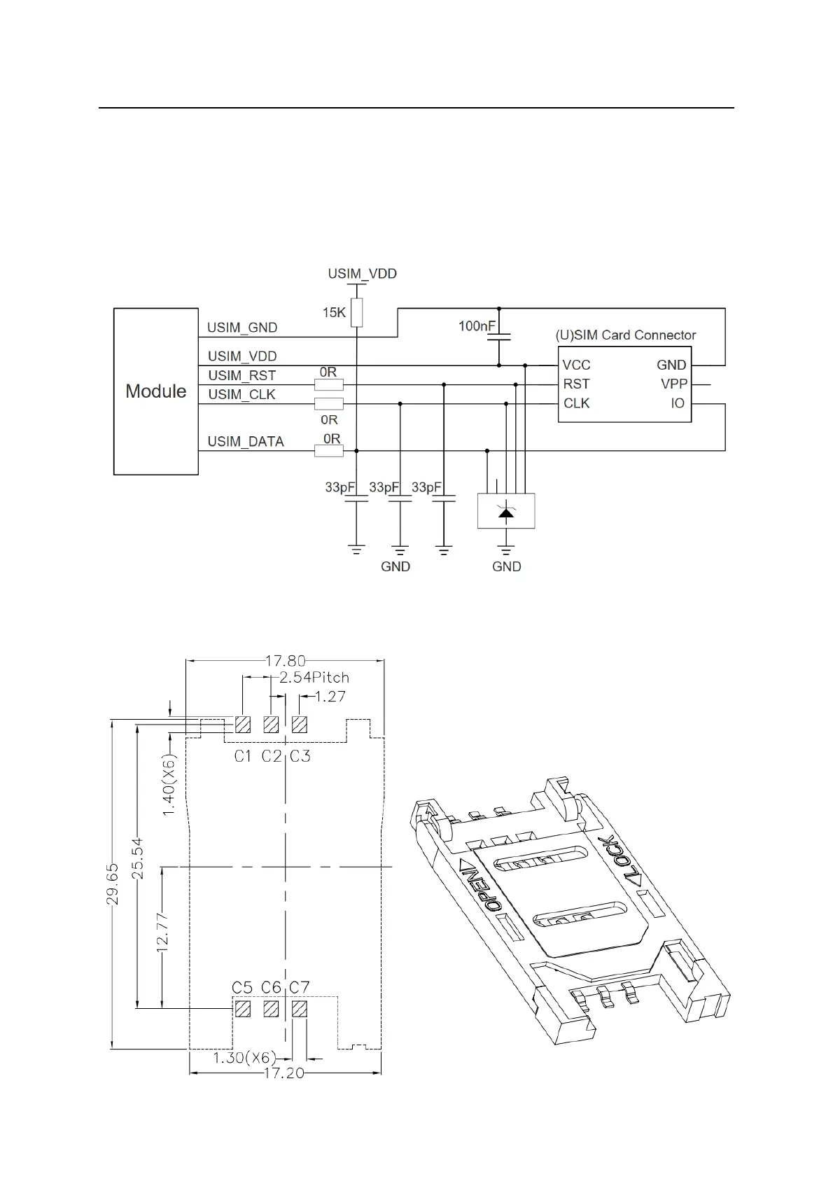
5.2.1 USIM Interface Schematic Reference
There is no SIM card interface circuit in VT-MOD-CELL-B48, and users need to add
the USIM interface circuit. Figure 4-1 shows the definition of interface signals and the
typical USIM interface schematic.
Figure 4-1 USIM interface circuit schematic on user side
Figure 4-2 Pin definition of SIM Socket

Related product manuals