EasyManua.ls Logo

Varimixer W30 - Page 38

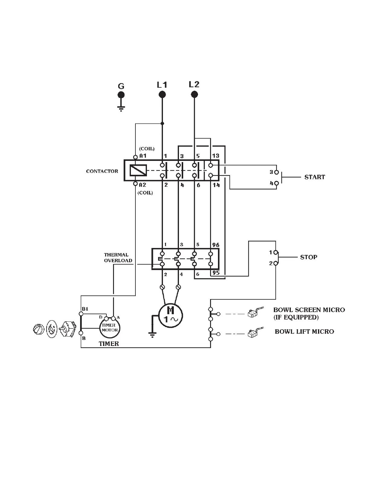
Varimixer W30
42 pages
Print Icon
To Next Page IconTo Next Page
To Next Page IconTo Next Page
To Previous Page IconTo Previous Page
To Previous Page IconTo Previous Page
Loading...
35
1985 - June 1998
1 Phase

Related product manuals