EasyManua.ls Logo

Veit 2181 - Circuit Diagram Veitronic HP 2003

Default Icon
15 pages
Print Icon
To Next Page IconTo Next Page
To Next Page IconTo Next Page
To Previous Page IconTo Previous Page
To Previous Page IconTo Previous Page
Loading...
Bügler HP 2003 VEIT 2181/2182
VEIT 2181/2182 HP 2003 Iron
17.09.2009 14
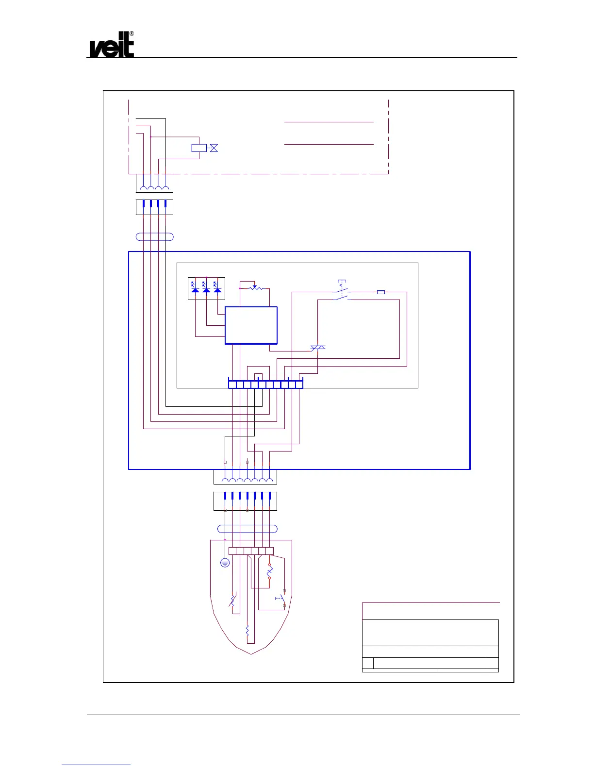
3.2 Schaltplan Veitronic HP 2003 / Circuit Diagram Veitronic HP 2003
HD2002\HD2002_1.SCH
VEIT 2172 / 2192
TA 05.961
Schaltplan fuer Veitronic kpl. 230V HD2002 II
circuit diagram for
Veitronic kpl. 230V HD2002 II
A3
11Wednesday, January 17, 2001
Title
Size Document Number Rev
Date: Sheet
of
X10
W1
S6
456123
FFD L1SLSL H HDN
Steuerung
Platine
Gehaeuse
X30
ws rt bl gn
ge
gn
ge
bl sw br br sw
PE
gn
ge
13562
br sw bl gn
ge
132PE
PE654321
4
ws rt bl brsw
gn
ge
ws rt sw bl br
W9
Veitronic
Dampferzeuger
PE123
PE
N
L1
V1
rt ge gr
S1
F1
R1
Y1
Legende
Buegler
iron
legend
casing
rot
gelb
gruen
Aufheizen
Temperatur erreicht
steam generator
Veitronic
red
yellow
green
heating
temperature reached
Abkuehlen cooling
red yel
printed circuit board
Veitronic
S1
V1
R1
F1
W1
X1
X21
X1
Buegler
S6
Rh
X30
W9
V2
V2
Temperaturfuehler
Sicherung
Heizung
Bueglerkabel
Bueglerstecker
X20
X21
X10
Y1
X20
Veitronic
S1
V1
R1
F1
W1
X1
X21
V2
steam generator
X10
Y1
X20
iron
Dampferzeuger
Steckbuchse
Netzanschlusskabel
Geraeteschalter
Triac triac
Kontrollanzeige
Klemmleiste
Stecker
fuse
main switch
plug
socket
mains cable
temperature sensor
steam key button
cable of the iron
plug of the iron
Steckbuchse
socket
LED-Anzeige : LED indication :
colour legend :
ws
rt
bl
gnge
sw
br
white
red
blue
green-yellow
black
brown
gre
control
control indication
terminal strip
heating element
Magnetventil Daempfen
Potentiometer
Sollwert-
potentiometer
nominal value
Temperatursicherung temperature fuse
steaming
solenoid valve
Art.-No.: 179 252 002 0
Kondensor
condensor
Steam-Adapter
steam adapter
connection to :
Anschluss an :
Veitronic kpl. 230V HD2000 II
HD2002 II 2172 / HN2002 II 2192
RT1
RT1
Miniclick miniclick
Daempf-Taster
X31
X31 Anschlussklemme terminal
FT1
S6
Rh
X30
W9
RT1
X31
FT1
FT1
Rh

Related product manuals