EasyManua.ls Logo

Veit 8741 - Querspanner; Lateral Tensioner

Veit 8741
59 pages
Print Icon
To Next Page IconTo Next Page
To Next Page IconTo Next Page
To Previous Page IconTo Previous Page
To Previous Page IconTo Previous Page
Loading...
Hosentopper VEIT 8741
VEIT 8741 Pants Finisher
25.07.2017
52
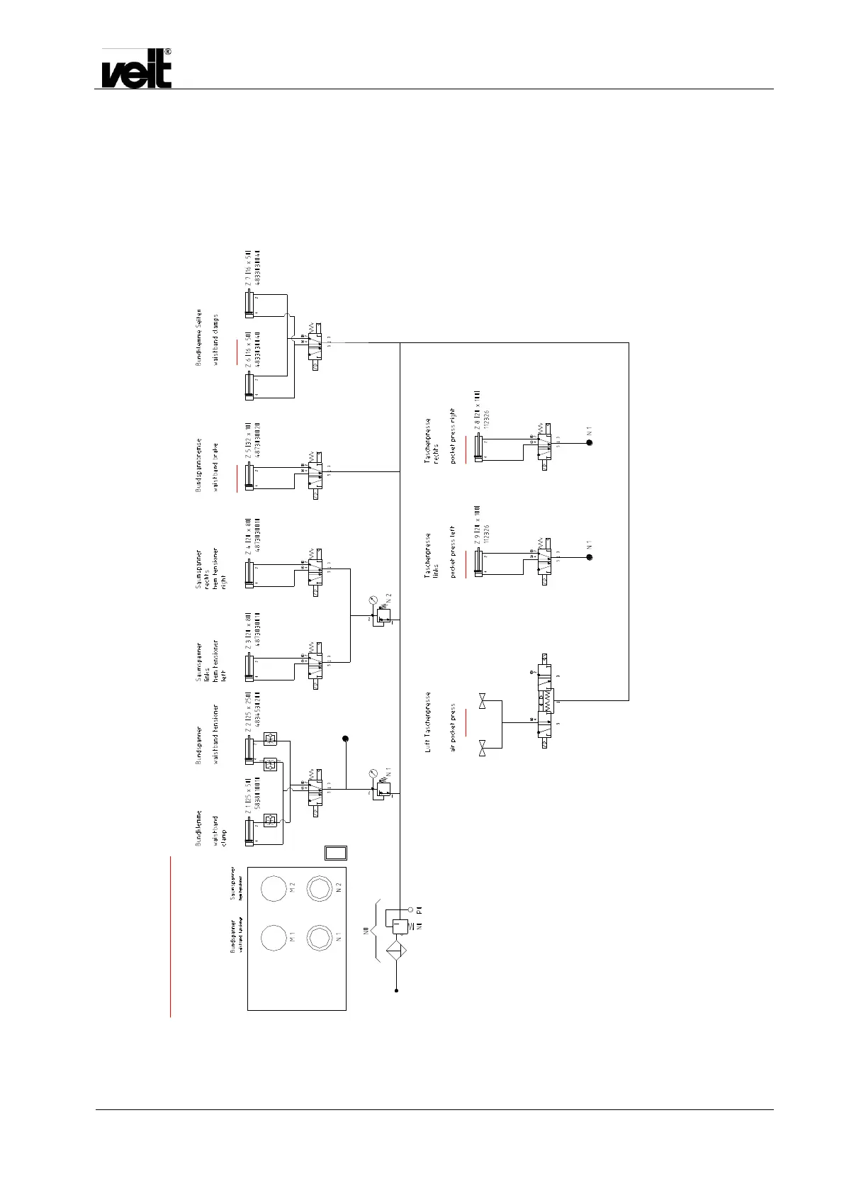
8.2 Querspanner / Lateral tensioner
VERSION: BT BASIC 1874120050 BT MEDIUM 1874120060 BT HIGH 1874120070 BT TOP 1874120080
- - Reserve - -
- - reserve - -
Pneumatikplan HT 8741
(Version Querspanner)
Ansicht Verkleidung / cover view
3 bar
6 bar max.
4 bar
Y 1
Y 10 / Y 9
3 bar
Y 3
Option
Y11A
Y11B
4 bar
Y 4
Option
Y 5
Option
Y 2
Option
Y 10
Option
Y 9

Table of Contents