EasyManua.ls Logo

Velleman-Kit K4305 - Connecting to a speaker level output

Velleman-Kit K4305
14 pages
Print Icon
To Next Page IconTo Next Page
To Next Page IconTo Next Page
To Previous Page IconTo Previous Page
To Previous Page IconTo Previous Page
Loading...
_______________________________________________________________________________________________________________________________________________________
12
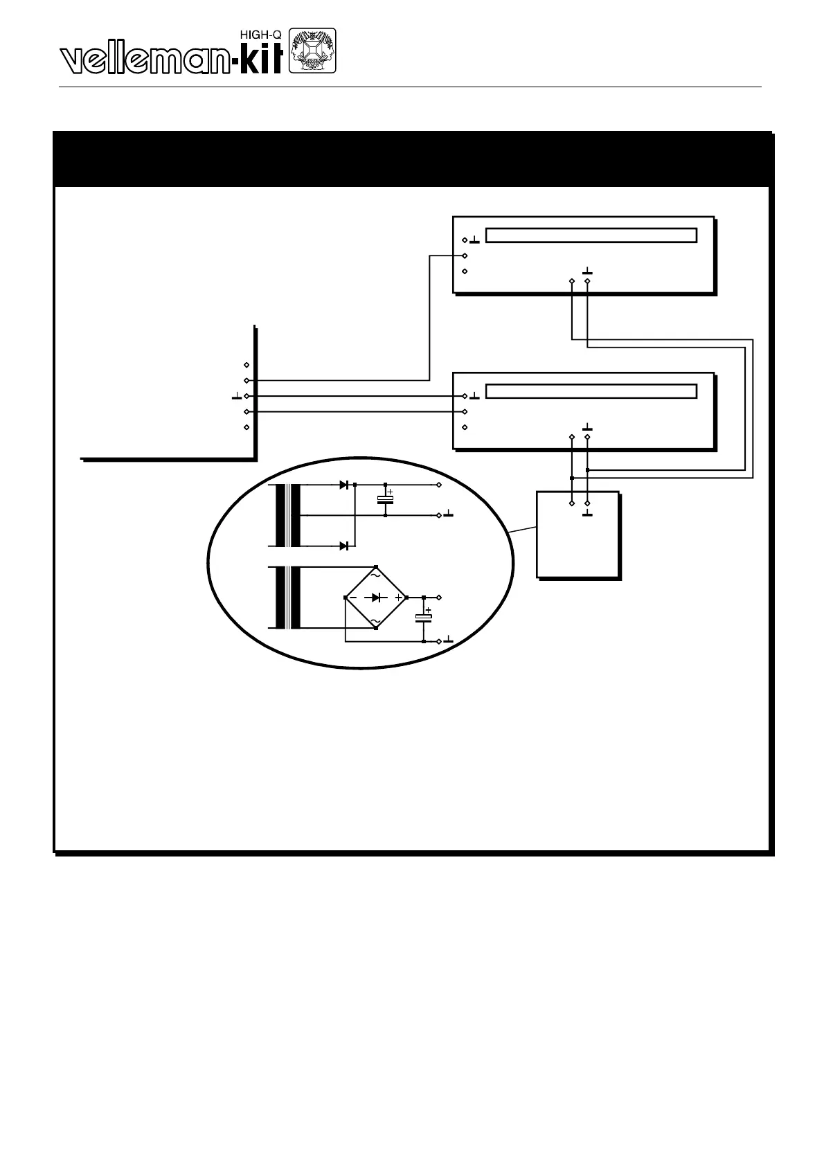
Connect the unit to a speaker output (HIGH input):
14. Connecting to a speaker level output and connecting a power
supply from 10 to 15VDC / 250mA max..
12V/250mA
12V/250mA
12V/250mA
FROM POWER AMPLIFIER
MAINS
MAINS
SPEAKER RIGHT
-
+
INPUT (0)
10...15VDC
1000uF/25V
1N4007
+
1000uF/25V
1N4007
+
POWER
SUPPLY
+
LOW IN
HIGH IN
+
P4304
SPEAKER LEFT
+
-
HIGH IN
LOW IN
+
P4304
RIGHT
LEFT
Connect the unit to a suitable supply voltage between 10VDC and
15VDC, this can also be a standard DC adapter. You can also build
your own power supply, see diagram. Use a 2x12V transformer, two
rectifier diodes and a electrolytic capacitor or use a single 12V trans-
former with a bridge rectifier and a electrolytic capacitor.