EasyManua.ls Logo

Venmar 550VF1 - Fitting Main Line to Poweru; Grounding Instructions; Wiring; Nit

Venmar 550VF1
14 pages
Print Icon
To Next Page IconTo Next Page
To Next Page IconTo Next Page
To Previous Page IconTo Previous Page
To Previous Page IconTo Previous Page
Loading...
9
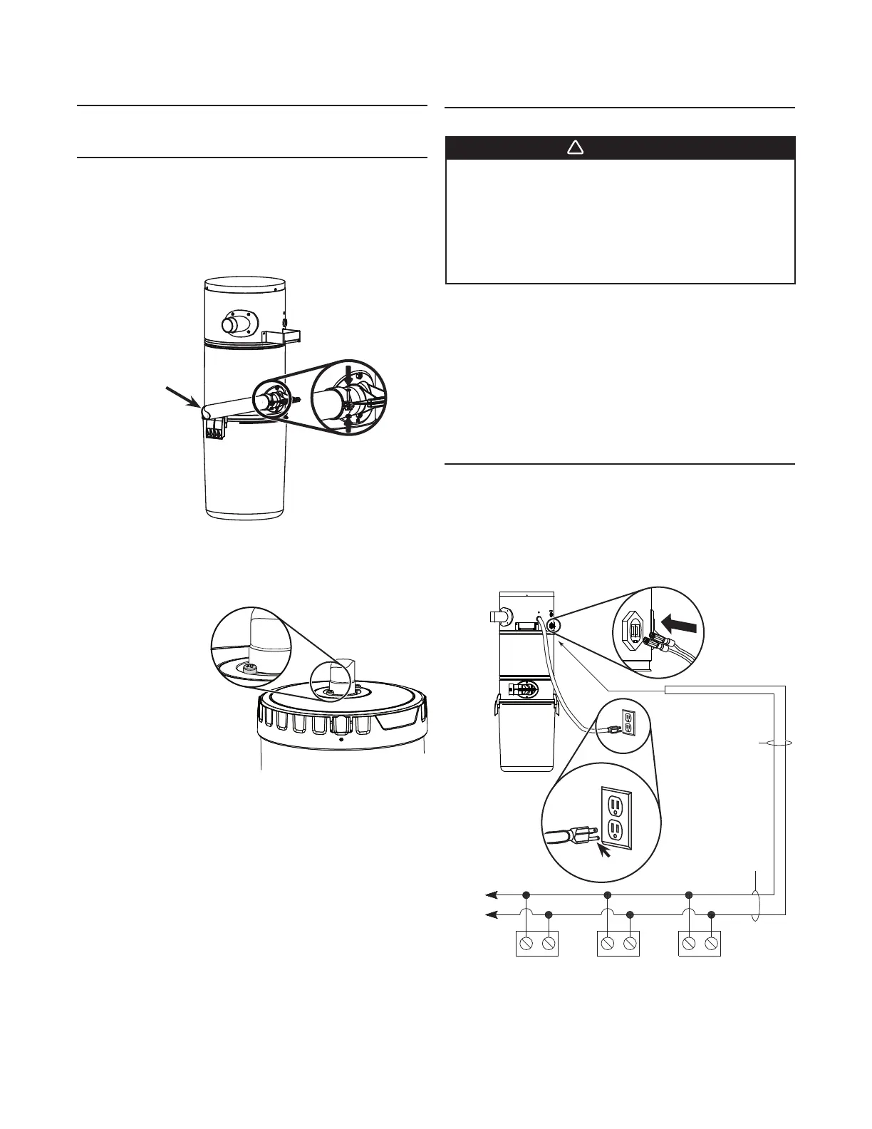
FITTING MAIN LINE TO POWER UNIT
Run house vacuum line up to the elbow behind the power
unit. Insert the end of the line in the elbow opening and
secure house vacuum line by hand tightening the screw
and nut provided (see illustration below) DO NOT GLUE.
Assemble exhaust tubing to exhaust outlet on top or top
side of the unit, according to the power unit model. DO NOT
GLUE.
NOTE FOR 700VF1 UNIT ONLY
If desired, the
coupling or elbow
used to connect
the exhaust line to
the top of the unit
may be secured
using two 5/8”
included screws.
See illustration at
right.
NOTE: Using flexible tubing will ease future top cap removal.
Make sure all tubing connections are air tight.
The exhaust should not be vented into a wall, ceiling or
concealed space in the house. It is recommended to vent
the vacuum exhaust air to the outdoors. Exterior vented
exhaust line should end using Model V145 wall cap.
NOTE: For optimal indoor air quality, exhausting the
power unit to the outdoors is recommended but is
not required, especially for 700VF1 unit which is
equipped with an exhaust HEPA filter.
Grounding Instructions – This appliance must be grounded.
If it should malfunction or break down, grounding provides a
path of least resistance for electric current, to reduce the risk
of electric shock. This appliance is equipped with a cord having
an equipment-grounding conductor and grounding plug. The
plug must be plugged into an appropriate outlet that is properly
installed and grounded in accordance with all local codes and
ordinances.
WIRING
This appliance is for use on a standard 120 VAC, dedicated
15-amp branch circuit with a NEMA 5-15R receptacle. Make
sure that the power unit is connected to an outlet and has a
grounding attachment plug that looks like the plug shown in
illustration below. No adapter should be used with this power
unit.
NOTE: Inlet leads to be connected to power unit low voltage
tabs using crimp connectors (included in parts bag)
and low voltage harness.
POWER UNIT INSTALLATION
(
CONT'D)
GROUNDING
INSTRUCTIONS
AJ0001
INTAKE LINE
SCREW AND
NUT FROM
PARTS BAG
INTAKE LINE TYPICAL CONNECTION
TO POWER UNIT
WARNING
!
Improper connection of the equipment-grounding
conductor can result in a risk of electric shock.
Check with a qualified electrician or service person
if you are in doubt as to whether the outlet is
properly grounded. Do not modify the plug provided
with the appliance – if it will not fit the outlet, have
a proper outlet installed by a qualified electrician.
AJ0003
AE0044
INLET
CRIMP
CONNECTORS TO
BE CONNECTED
IN LOW VOLTAGE
TABS
INLET INLET
TO
OTHER
INLETS
MODEL V133 (22/2)
LOW VOLTAGE WIRE
INLET LEADS
GROUNDED OUTLETS
GROUNDING PIN