EasyManua.ls Logo

Venmar 6LC - Page 25

Venmar 6LC
60 pages
Print Icon
To Next Page IconTo Next Page
To Next Page IconTo Next Page
To Previous Page IconTo Previous Page
To Previous Page IconTo Previous Page
Loading...
25
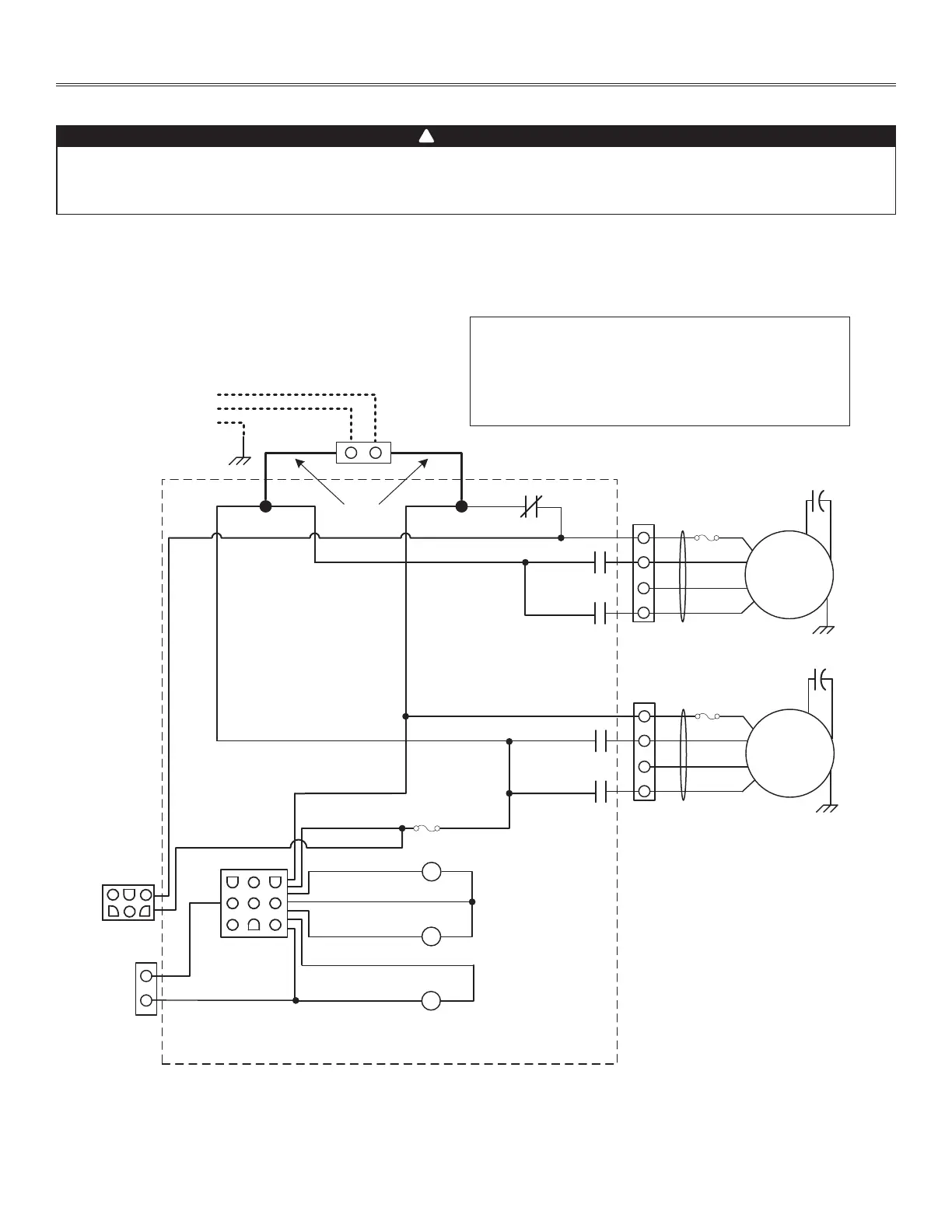
Appendix H (contd)
WIRING DIAGRAMS
COM
LOW
MED
HIGH
WH
R
BL
CN2
CN1
WHBK
LINE
NEUTRAL
120 VAC FIELD
WIRING
14 AWG
K1-1
K2-1
TP
M1
(Exhaust)
COM
LOW
MED
HIGH
WH
R
BL
BK/Y
CN3
K1-2
K2-2
TP
J1.1
J1.3
J1.4
J1.5
K2
J1.6
K1
BL
WH/Y
O
BK
WH
K3
J1.9
J1.8
CN5
J1
CN5.2
CN5.1
F1
BK
BK/Y
M2
(Supply)
Main Electrical Enclosure
G/Y
G/Y
G
GND
1
2
K3
1
2
3
4
1
2
3
4
WH/BL
BK/R
CN4
1
2
6LC, V6LC,12LC & V12LC - Exhaust Defrost - Normal Low Speed (cont’d)
BK
BK/R
BK/Y
BL
BN
G
G/Y
O
R
WH
WH/BL
WH/R
WH/Y
Y
BLACK
BLACK/RED
BLACK/YELLOW
BLUE
BROWN
GREEN
GREEN/YELLOW
ORANGE
RED
WHITE
WHITE/BLUE
WHITE/RED
WHITE/YELLOW
YELLOW
WIRING COLOR CODE
BN
BN
BN
BN
5
6
4
2
3
1
LOGIC DIAGRAM
VE0461A
Ref: 1107006_REV-A
123
456
9 78
J1.2
WH/R
BK
BK
BK
BK
BK
BK
BK
BK
WH WH
WH
WH
WH
BK/R
BK/R
WARNING
Risk of electric shocks. Before performing any maintenance or servicing, always disconnect the unit from its power source.
This product is equipped with an overload protection (fuse). A blown fuse indicates an overload or a short-circuit situation. If
the fuse blows, disconnect the unit from its power source. Discontinue using the unit and contact technical support.
!