EasyManua.ls Logo

Venmar 6LC - Page 57

Venmar 6LC
60 pages
Print Icon
To Next Page IconTo Next Page
To Next Page IconTo Next Page
To Previous Page IconTo Previous Page
To Previous Page IconTo Previous Page
Loading...
27
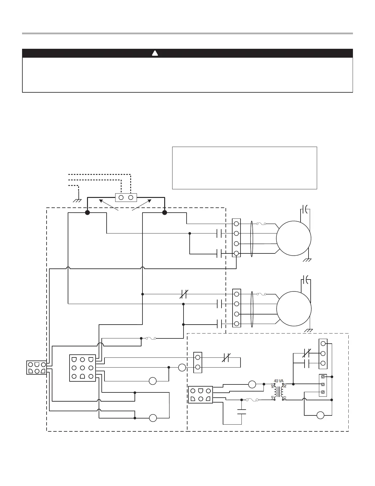
Annexe H (suite)
SCHÉMAS ÉLECTRIQUES
AVERTISSEMENT
Danger d’électrocution. Avant d’effectuer les travaux d’entretien ou de réparation, toujours couper l’alimentation
électrique à l’appareil.
Cet appareil est muni d’une protection contre les surcharges (fusible). Un fusible brûlé indique une surcharge ou un
court-circuit. Si le fusible brûle, couper l’alimentation électrique à l’appareil. Cesser de l’utiliser et communiquer avec
le soutien technique.
!
COM
BAS.
MOY.
HAUTE
BLA
R
BLE
CN2
CN1
BLAN
LIGNE
NEUTRE
14 AWG
K1-1
K2-1
PT
M1
COM
BAS.
MOY.
HAUTE
BLA
R
BLE
N/J
CN3
K1-2
K2-2
PT
K3
J1.2
J1.3
R
R
CN4
K4
J1.4
J1.5
K2
J1.6
K1
R
BLA/J
O
N
BLA
K3
J1.9
N/R
J1.8
CN5
J1
CN5.3
CN5.4
CN5.5
CN5.2
F1
CN5
F2
K5
K4
K4
CN6
X1
K5
K5
CN5.3
CN5.4
CN5.5
N/R
BLA/R
N
N/J
CN5.2
R
BLA
BLE
R
O
BLA/BLE
R
N
N/J
M2
Boîtier électrique principal Boîtier électrique distant (Recirc.)
V/J
V/J
V
MISE À LA TERRE
6LC, V6LC,12LC et V12LC - Dégivrage par recirculation - Basse vitesse normale (suite)
SCHÉMA LOGIQUE
BR
BR
BR
BR
Réf : 1107007_REV-A
VE0463F
5
6
4
2
3
1
123
456
9 78
5
6
4
2
3
1
CODE DE COULEUR DES FILS
BLA
BLA/BLE
BLA/R
BLA/J
BLE
BR
J
N
N/R
N/J
O
R
V
V/J
BLANC
BLANC/BLEU
BLANC/ROUGE
BLANC/JAUNE
BLEU
BRUN
JAUNE
NOIR
NOIR/ROUGE
NOIR/JAUNE
ORANGE
ROUGE
VERT
VERT/JAUNE
120 VCA
FIL INSTALLÉ
SUR PLACE
(Évacuation)
(Distribution)
C
R
G
N
N
N/R
BLA/R
N/R
N
N/J
BLA
BLA
BLA BLA
N
N
N
N
N
N
N
1
2
3
4
1
2
3
4
1
2
1
2
3
2
1