EasyManua.ls Logo

Vent-Axia VA100XT - Page 6

Vent-Axia VA100XT
8 pages
Print Icon
To Next Page IconTo Next Page
To Next Page IconTo Next Page
To Previous Page IconTo Previous Page
To Previous Page IconTo Previous Page
Loading...
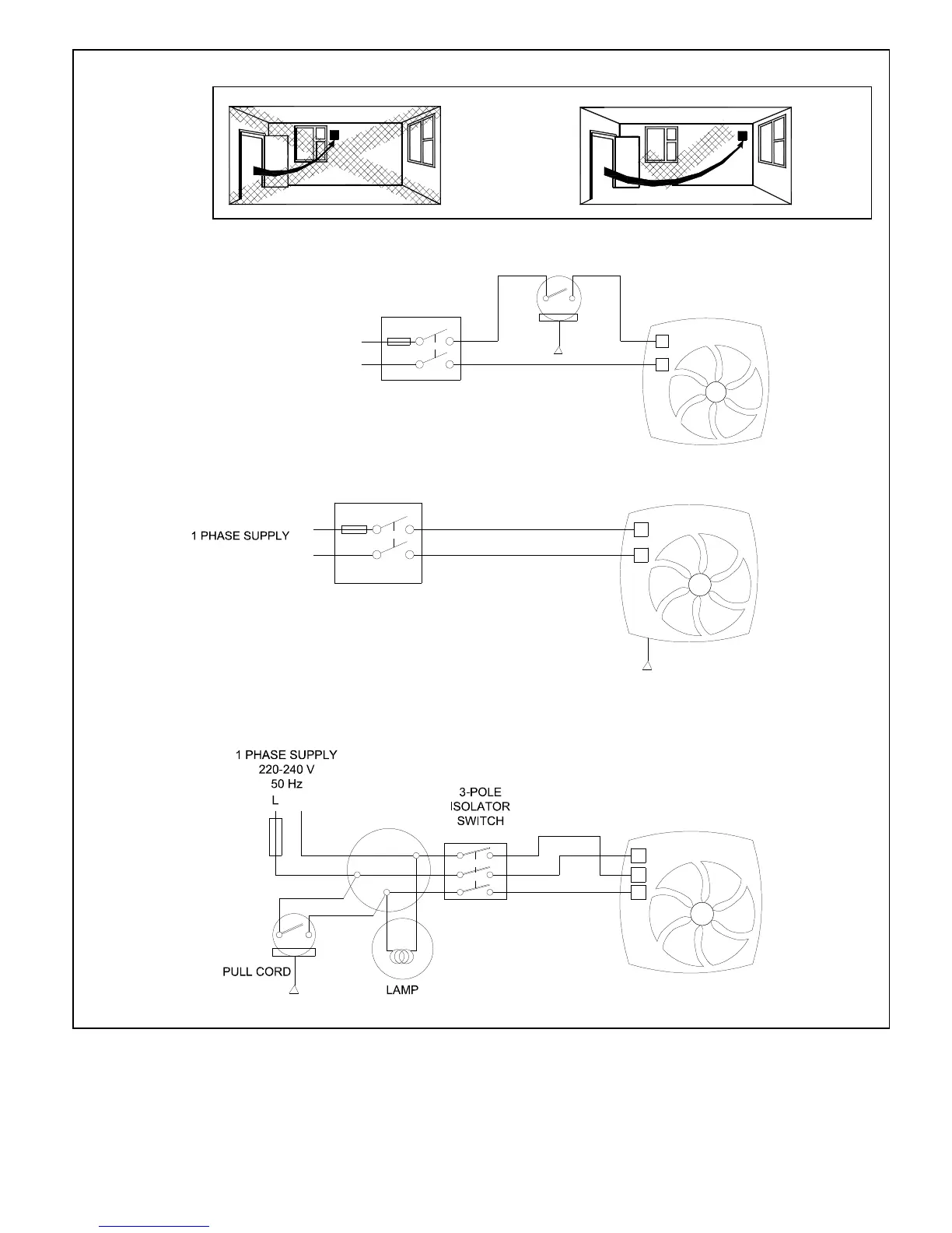
~
N
L
(220-240V 50Hz).
FUSE
L
N
1 AMP
FAN
PULL CORD
SWITCHED FUSED
SPUR (1A)
Fig. 1
Fig. 2 : VA100L
Fig. 3 : VA100X/VA100LH/VA100XH
Fig. 4 : VA100XT/VA100LT/VA100XHT
(VA100LH & VA100XH LS CAN BE USED AS OVERRIDE)
~
N
L
1 PHASE SUPPLY
(220-240V 50Hz).
FUSE
SWITCHED
FUSED
SPUR (1A)
L
N
FAN
PULL CORD
1 AMP
~ N
N
L
S
L
FAN
1 AMP

Related product manuals