EasyManua.ls Logo

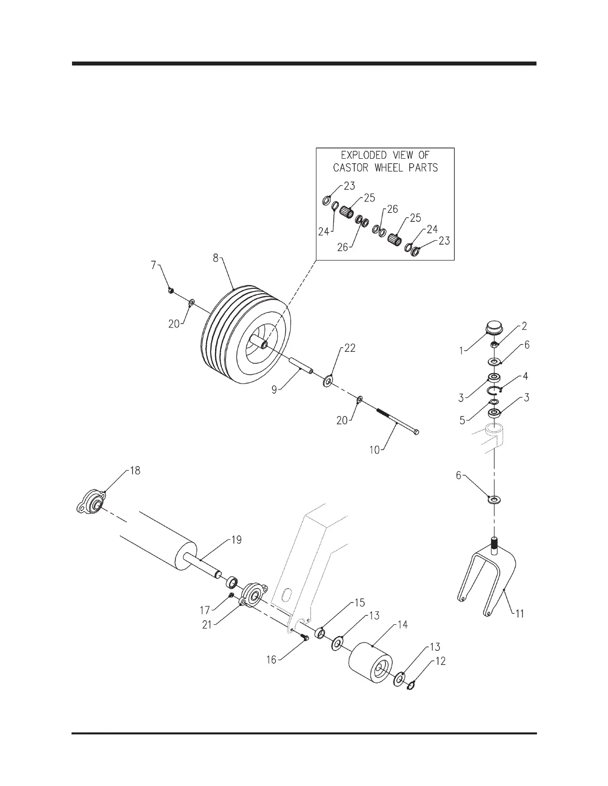
Ventrac HM720 - Parts - Figure 7; Caster & Rear Roller Parts (Illustrated Drawing & List)

Ventrac HM720
40 pages
Print Icon
To Next Page IconTo Next Page
To Next Page IconTo Next Page
To Previous Page IconTo Previous Page
To Previous Page IconTo Previous Page
Loading...
PARTS
E-13
FIGURE 7
ILLUSTRATED DRAWING
CASTER & REAR ROLLER PARTS

Related product manuals