EasyManua.ls Logo

Vertiv Liebert LSF24-T - Circuit Diagram of Double Fans Condenser

Vertiv Liebert LSF24-T
33 pages
Print Icon
To Previous Page IconTo Previous Page
To Previous Page IconTo Previous Page
Loading...
Vertiv I Liebert Air Cooled Condenser I User Manual 29
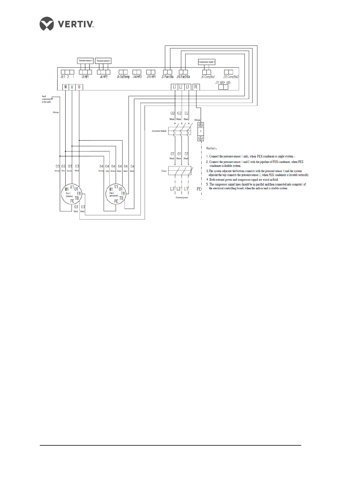
Figure 2 Circuit diagram of the condenser with double fans

Related product manuals