EasyManua.ls Logo

VEVOR 130 - Electrical Schematic Diagram

VEVOR 130
80 pages
Print Icon
To Next Page IconTo Next Page
To Next Page IconTo Next Page
To Previous Page IconTo Previous Page
To Previous Page IconTo Previous Page
Loading...
- 8 -
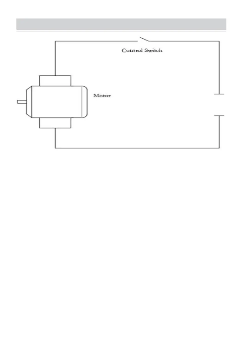
Electrical schematic diagram
AC-IN

Related product manuals