EasyManua.ls Logo

VIA Technologies VT82C42 - Page 7

Default Icon
13 pages
Print Icon
To Next Page IconTo Next Page
To Next Page IconTo Next Page
To Previous Page IconTo Previous Page
To Previous Page IconTo Previous Page
Loading...
VIA Technologies, Inc.
VT82C42
-5-
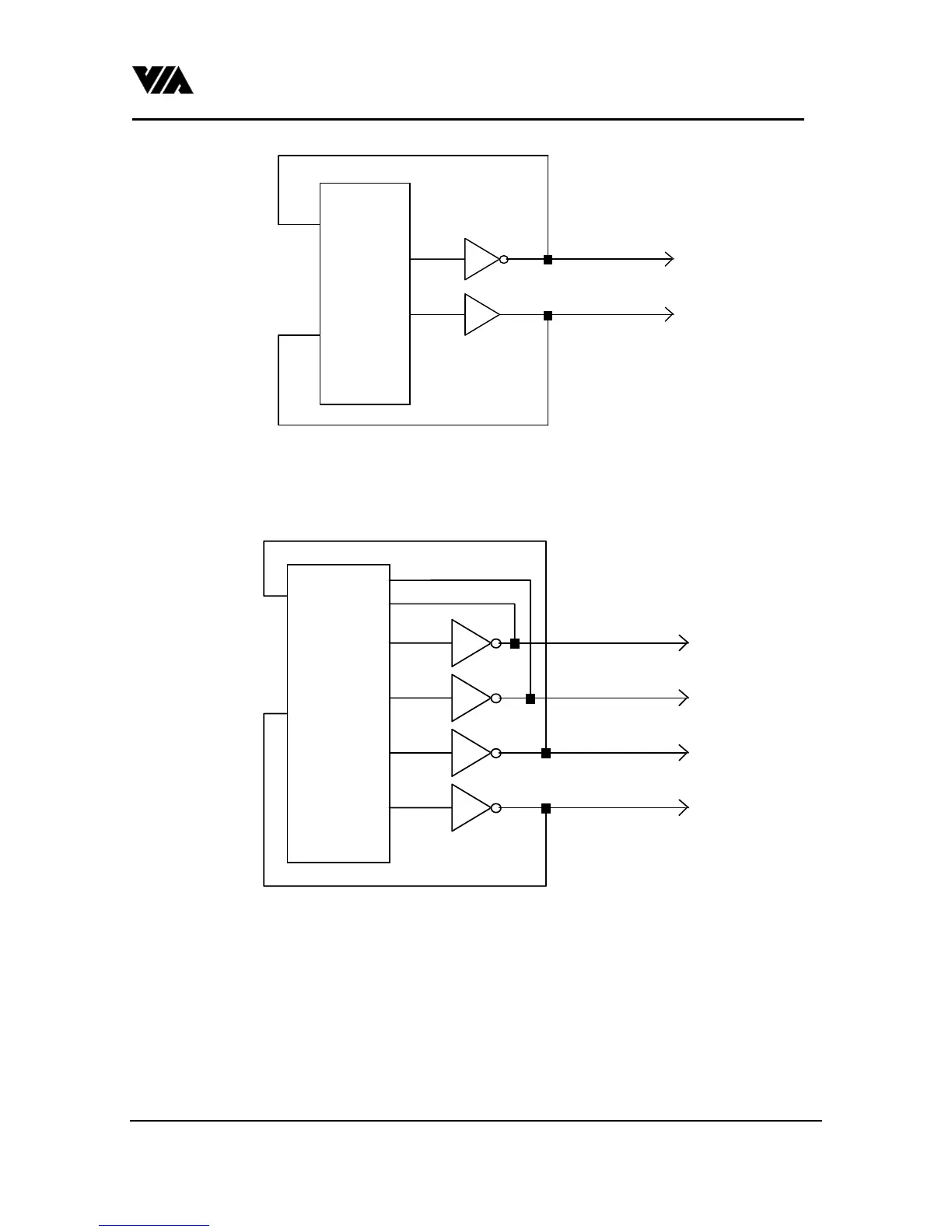
T0
T1
P26
P27
7406
7407
Keyboard Clock
Keyboard Data
Fig 2.
2. To work with PS2 mode mother board.
T0
T1
P10
P11
P22
P27
P26
P23
7406
Mouse Data
7406
Keyboard Data
7406
Keyboard Clock
7406
Mouse Clock
Fig 3.