EasyManua.ls Logo

Viesa AGRO - 3.2- ELECTRICAL

Viesa AGRO
44 pages
Print Icon
To Next Page IconTo Next Page
To Next Page IconTo Next Page
To Previous Page IconTo Previous Page
To Previous Page IconTo Previous Page
Loading...
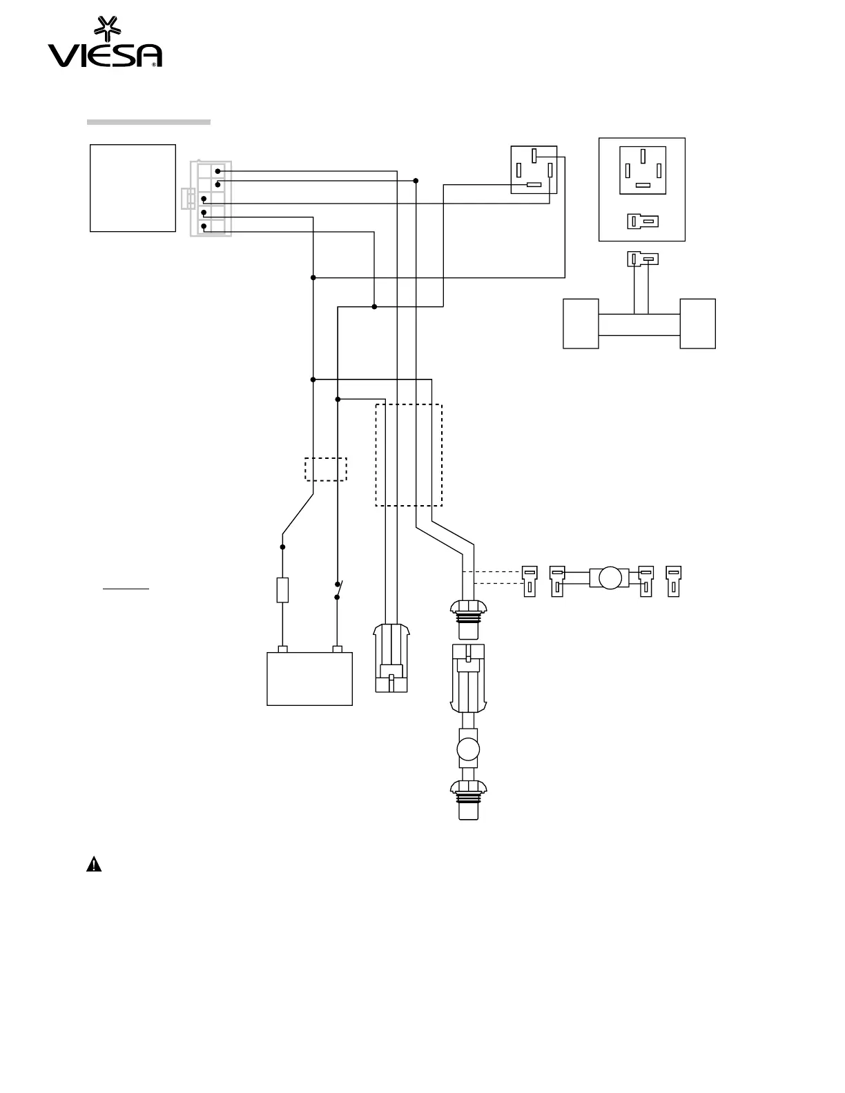
3.2- ELECTRICAL
Very Important: The fuse must be installed at the end.
Important: In ADR (dangerous goods Transportation), encase and
protect the electrical wiring in approved fire-proof material.
Note: use the provided wire terminals, terminal covers and sockets.
Solder wire terminals and / or joints with tin.
The connection of the pump and level sensor must
remain inside the pump cover.
Important: the positive cable (+) is the last element to be connected.
YELLOW
BLACK
BROWN
RED
BLACK
BLACK
RED
BLACK
RED
2 x 1,50 + 2 x 0,50
YELLOW-R or LIGHT BLUE
2 x 4
YELLOW
RED
BLACK
CURRENT BREAKER
(+)
BATTERY
(-)
WATER LEVEL
SENSOR
(POLARITY FREE)
WATER PUMP
(+)
2 1
(-)
IMPORTANT: THE FUSE HOLDER
MUST REMAIN OUTSIDE
THE BATTERY COMPARTMENT
FUSE 15A
POWER AND
CONTROL MODULE
BLACK
BROWN
RED
RED
BLACK
POWER MODULE
5-WAY SOCKET
(+)
BITURBO BLOWER
(-)
(-)
(+)
2 1
ANTIPARASITIC FILTER