EasyManua.ls Logo

Viessmann 5065 - Page 5

Viessmann 5065
8 pages
Print Icon
To Next Page IconTo Next Page
To Next Page IconTo Next Page
To Previous Page IconTo Previous Page
To Previous Page IconTo Previous Page
Loading...
5
4-fach-Blinkgerät 5065
12 34
Viessmann
16 V~
Elektr. Relais 5552
4-fach-Blinkgerät 5065
12 34
Viessmann
16 V~
bn
ge
ge
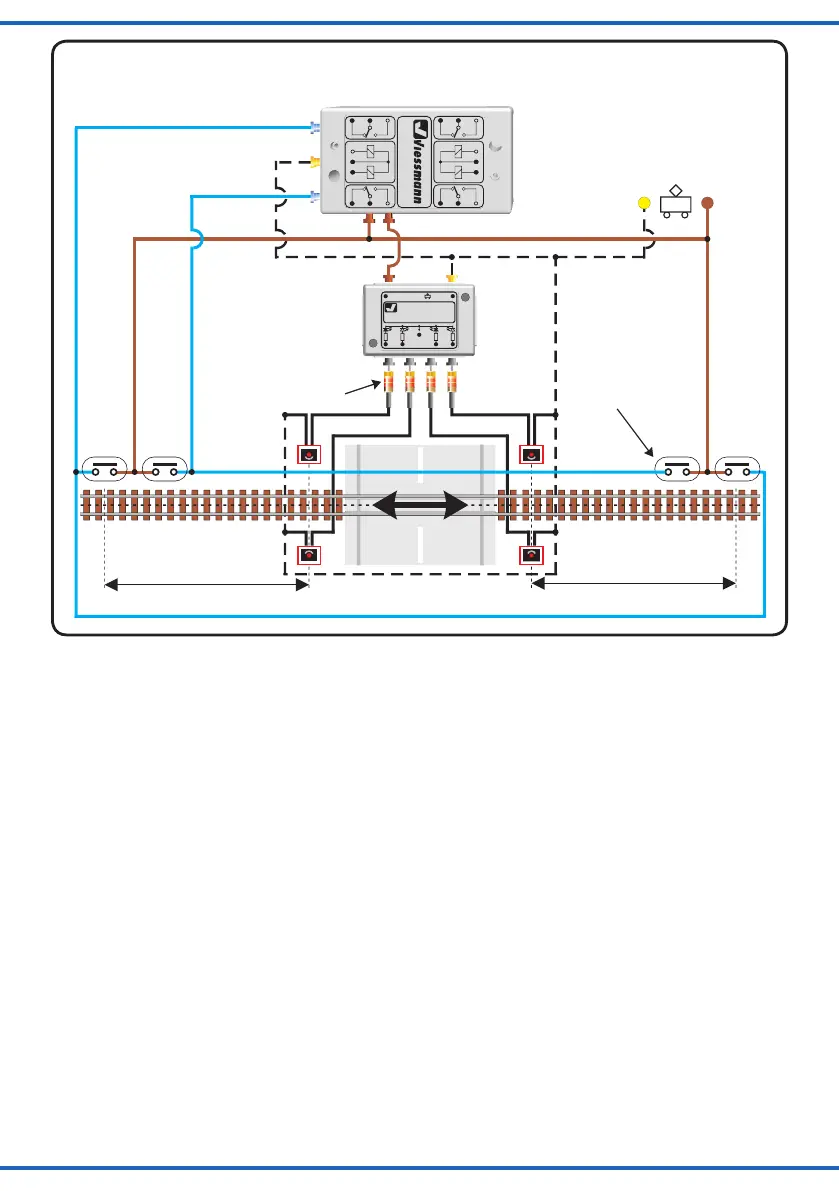
Fig. 2
Abb. 2
Eingleisige Strecke
Single-track line
at least one maximum train length
mindestens eine
maximale Zuglänge
at least one maximum train length
mindestens eine
maximale Zuglänge
gelb
yellow
braun
brown
blau
blue
Ein
on
Aus
o
Reedkontakte,
Schaltgleise
Reed contacts,
switching tracks
Widerstände von
den Andreas-
kreuzen
Resistors from the
crossing signals
gelb
yellow
blau
blue
blau
blue
braun
brown
5551
oder or
5552
5065
Advice!
If you use Märklin rail material you can substitute
the two contacts (On and Off) on each side by only
one Märklin switching track. Here you have to con-
nect in a way that the “on”-contact is activated if
the train is running in the direction of the railway-
crossing. In addition, a connection between rail
ground (brown) and ground of the circuit (brown)
shown in fig. 2 needs to be established.
Hinweis!
Bei Verwendung von Märklin Gleismaterial können
die zwei Kontakte (”Ein” und “Aus”) durch ein Märk-
lin Schaltgleis ersetzt werden. Der Anschluss ist so
zu wählen, dass der “Ein”-Kontakt beim Fahren in
Richtung Bahnübergang betätigt wird. Außerdem ist
eine Verbindung zwischen Schienen-Masse (braun)
und Masse der hier gezeigten Schaltung (braun)
herzustellen (Abb. 2).
14 – 16 V AC~/DC=
z. B. / e. g. 5200

Related product manuals