EasyManua.ls Logo

Viessmann 5065 - Page 6

Viessmann 5065
8 pages
Print Icon
To Next Page IconTo Next Page
To Next Page IconTo Next Page
To Previous Page IconTo Previous Page
To Previous Page IconTo Previous Page
Loading...
6
Sekundär
0-10-16 V~
16 V
Primär
230 V~
Gefertigt nach
VDE 0570
EN 61558
Lichttransformator
5200
Nur für trockene Räume
Primär 230 V 50 - 60 Hz
Sekundär max. 3,25 A52 VA
ta 25°CIP 40
10 V
0 V
Elektr. Relais 5552
4-fach-Blinkgerät 5065
12 34
Viessmann
16 V~
bn
ge
ge
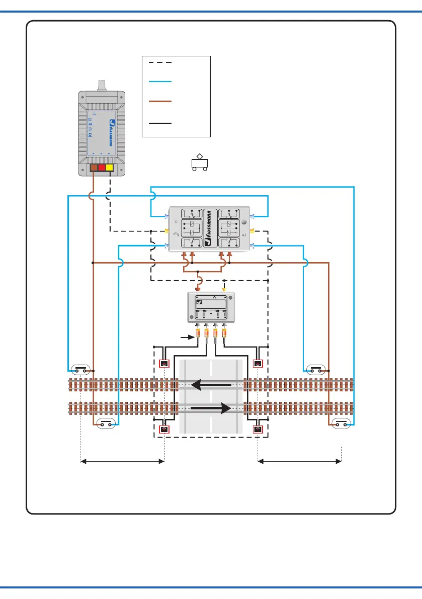
Fig. 3
Abb. 3
gelb
yellow
blau
blue
braun
brown
schwarz
black
Zweigleisige Strecke
Double-track line
Widerstände
von den
Andreaskreuzen
Resistors from
the crossing
signals
gelb
yellow
blau
blue
braun
brown
5552
5065
Aus
o
blau
blue
gelb
yellow
gelb
yellow
blau
blue
braun
brown
blau
blue
Ein
on
Ein
on
Aus
o
at least one maximum train length
mindestens eine
maximale Zuglänge
at least one maximum train length
mindestens eine
maximale Zuglänge
a b a b
14 – 16 V AC~/DC=
z. B. / e. g. 5200

Related product manuals