EasyManua.ls Logo

Viessmann 5104 - Adressvergabe

Viessmann 5104
16 pages
Print Icon
To Next Page IconTo Next Page
To Next Page IconTo Next Page
To Previous Page IconTo Previous Page
To Previous Page IconTo Previous Page
Loading...
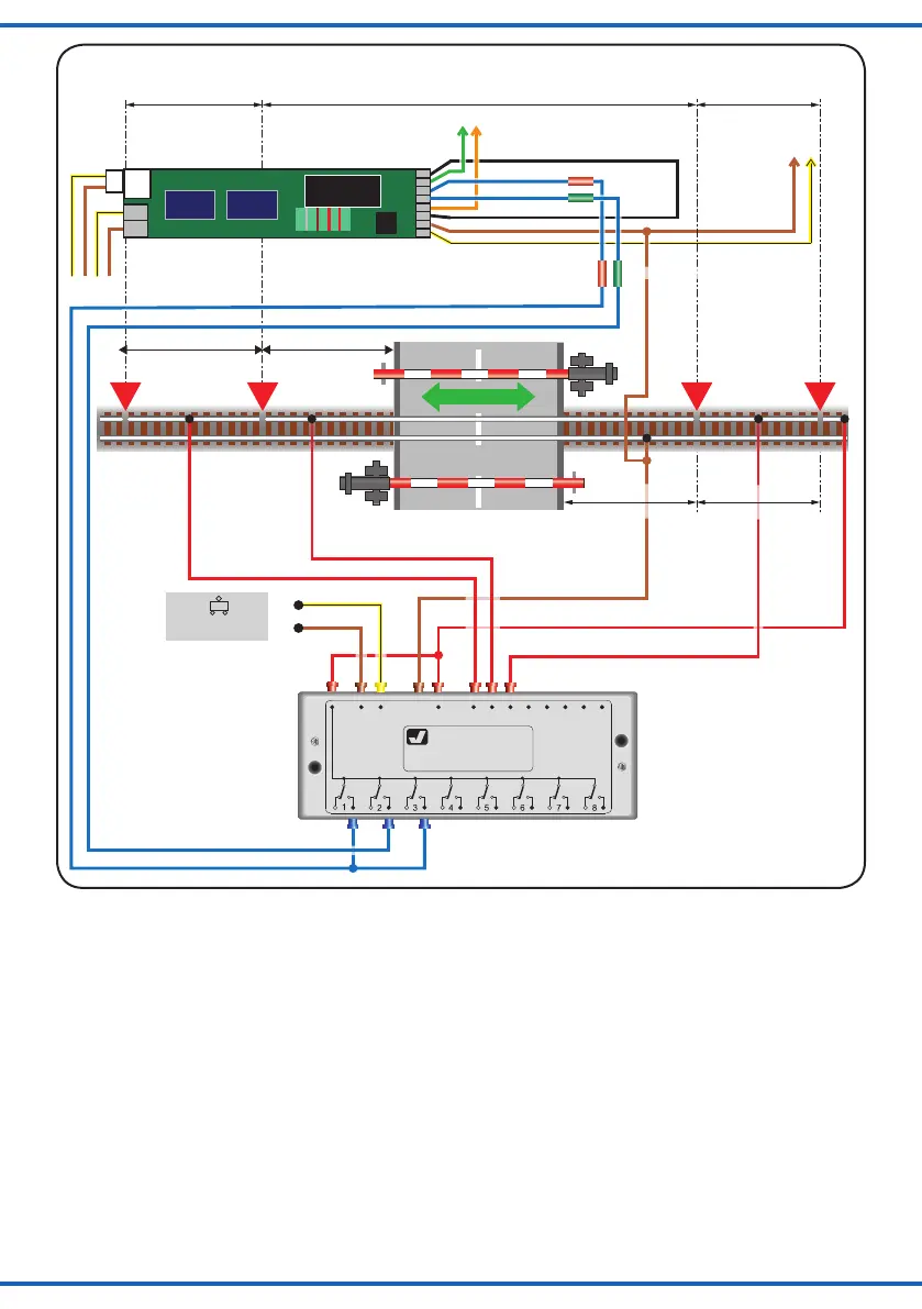
12
min. 1 train lengthmin. 1 train length
blau / blue
braun / brown
gelb / yellow
rote Markierung
zum Soundmodul und Andreaskreuz
To the soundmodule and St. Andrew‘s Crosses
schwarz / black
schwarz / black
blau / blue
min. 1 train length min. 1 train length
rot / red
braun / brown
rot / red
rot / red
rot / red
blau / blue
blau / blue
blau / blue
blau / blue
braun / brown
10-16V AC ~
14-24V DC =
13-24V Digitalsignal
grüne Markierung
braun / brown
gelb / yellow
Fahrtrichtung
14-16 V ~
mind. 1 Zuglängemind. 1 Zuglänge
mind. 1 Zuglänge
/=
zu den Schranken
To the barriers
Viessmann
Gleisbesetztmelder
8-fach 5206
1 2 3 4 5 6 7 8
16 V ~
bn ge Fahrstrom
Öffnen / Open Schließen / Close Öffnen / Open
mind. 1 Zuglänge
Fig. 11
Abb. 11
Der Decoder empfängt die Digitalbefehle über die Versor-
gungsleitungen während die Steuerleitungen für den zu-
sätzlichen zuggesteuerten Automatikbetrieb verwendet
werden können. Ab Werk ist der Decoder auf die Digital-
adresse 1 (DCC) eingestellt.
Adressvergabe:
Zur digitalen Steuerung des Funktionsmodells müssen
Sie diesem zunächst eine Digitaladresse zuteilen:
1. Schalten Sie den Ausgang des Digitalsystems aus. Es
darf keine Spannung am Schrankendecoder anliegen.
2. Verbinden Sie die Stromversorgungsleitungen (gelb
und braun) mit dem Gleis oder direkt mit der Zentrale.
3. Verbinden Sie beide Steuerleitungen mit je einem
Gleis oder den entsprechenden Anschlüssen an der
Zentrale, also eines der blauen Kabel an ein Gleis,
das andere blaue Kabel an das andere Gleis bzw. den
Mittelleiter.
The decoder receives the digital commands via the
power supply cables. The blue control wires may be
used for controlling the barriers automatically by the
trains. The decoder default address in DCC mode is 1.
Assigning an address:
Fordigitalcontrolofthismodelyoumustrstassigna
digital address.
Now the model is ready for operation with the newly
assigned address. Should you wish to change the ad-
dress at a later stage simply repeat this procedure.
1. Turn off the output of the digital system. Make sure the
decoder of the barriers is not connected to any volt-
age at all.
2. Then connect the power supply cables (yellow and
brown) to the track or directly to the command station.

Related product manuals