EasyManua.ls Logo

Viessmann FT 1500 - Electrical Circuit Diagram for CT 3000 and FT 1500

Viessmann FT 1500
30 pages
Print Icon
To Next Page IconTo Next Page
To Next Page IconTo Next Page
To Previous Page IconTo Previous Page
To Previous Page IconTo Previous Page
Loading...
GB
General notice (liability): the details of this technical documents serve for description. Consents regarding the availability of certain features or
regarding a certain purpose always require a special written agreement.
Page 23 GB 9.3 Right reserved to make technical changes!
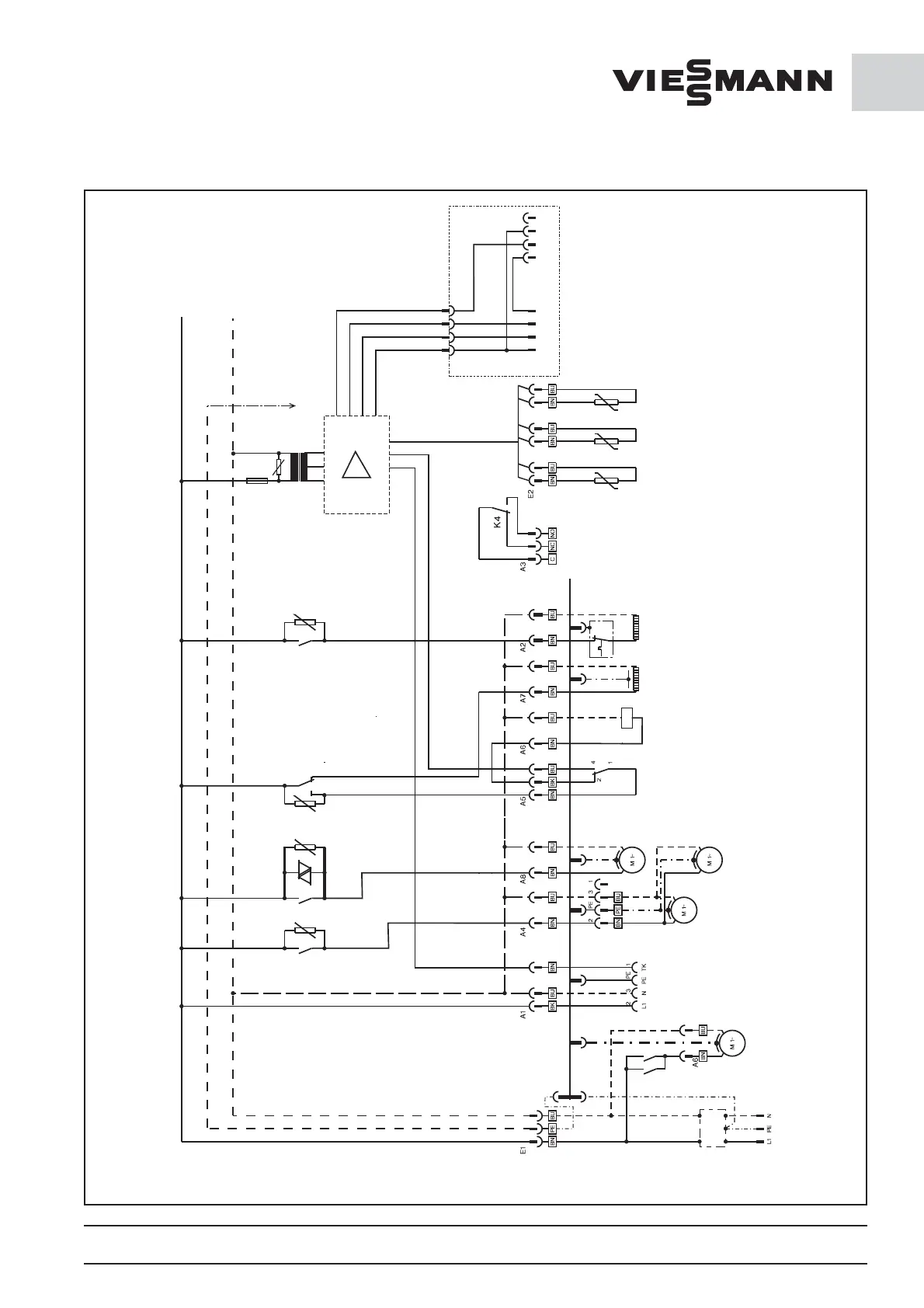
9.3 Electrical circuit diagram for
CT 3000 and FT 1500
2
2
RxD RxDSG SG
TxD TxD+12V
3
3
5
5
9
F2
80mA Tr
R1
K3
K1
K2 K5
R9
R8
R11
R10
KM
KM
E6
79
A1
A2
46
GND
RF VD VF
PE-Profile
Netfilter
Power supply plug
Compressor
4 -pin plug for
coldroom
Evapotator fan
Evaporatorfanr 2
for housing size 2
Condenser fan
Pressostat
Compressor
Oil heater
Defrost heating
External fault in dicator
(in cas e of fault or if
without power
relay is released)
Room sensor
Evaporator
sensor
Temperature sensors
PT 1000
Condenser sensor
(optional)
Connecting schematics for the optional
serial in terface RS 232 ,
included in systems supplied with
remote control

Related product manuals