EasyManua.ls Logo

Viessmann Vitocal 200-A - Page 101

Viessmann Vitocal 200-A
236 pages
Print Icon
To Next Page IconTo Next Page
To Next Page IconTo Next Page
To Previous Page IconTo Previous Page
To Previous Page IconTo Previous Page
Loading...
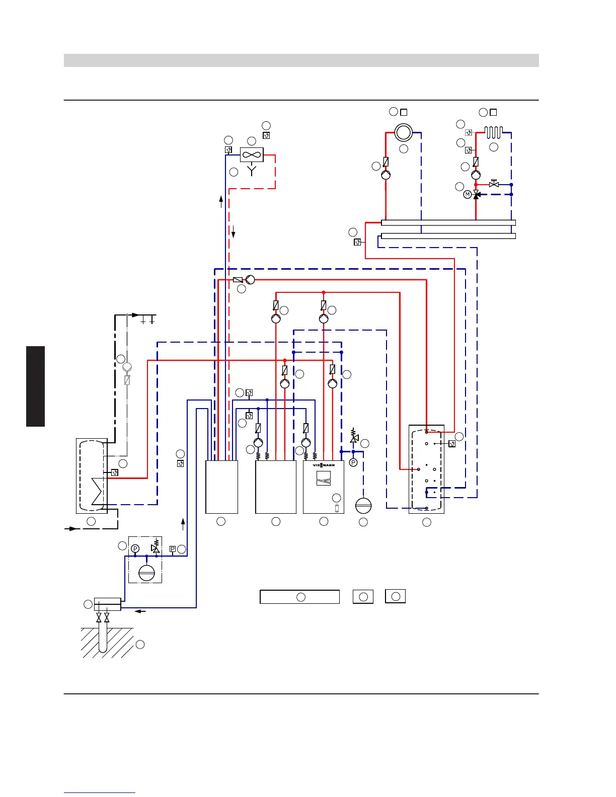
Hydraulic installation scheme ID: 4605355_1304_03
KW
WW
21
4
12
6
7
10
11
25
5
9
1
80
13
60
30
84
16
17
27
22
20
32
37
61
62
82
81
86
83
91
71
90
70
96
73
74
76
77
--230V--
--KM BUS--
2
3
--145--
8
--145--
--145--
--2/212.2--
--8/145--
--8/145--
--2/225.1--76--
--73/20--
--2/225.2;3--
--2/F12--
--2/F13--
--2/F16--
--2/F14--
--2/F4--
--2/X3.8;3.9--
--2/F3--
--2/F2--
--85/13-14--
--2/212.3--
-
--2/F6--
--2/F0--
---2/211.4--
--2/211.2--
---2/224.5--
--2/224.3--
--212.1--
--X3.8;3.9--
--212.3--
--211.2--
--211.4--
--212.2--
--225.1--
--225.2;3--
--F16--
--F14--
--F0--
--F6--
--F2--
--F3--
--F4--
--F12--
--F13--
P1
--2/224.2--
--2/211.1--
--211.1--
--224.2--
--224.3--
--224.5--
-
-
A1
M2
--B/137--
85
--212.1--
--13-14--
Note: This scheme is a general example without shut-off valves or safety equipment. This does not replace the need for on-site engineering.
Maximum total output of both heat pumps 17 kW.
Vitocal 300-G/350-G
(cont.)
106
VIESMANN
System examples
4
5822 472 GB

Other manuals for Viessmann Vitocal 200-A

Related product manuals