EasyManua.ls Logo

Viessmann Vitocal 200-A - Page 228

Viessmann Vitocal 200-A
236 pages
Print Icon
To Next Page IconTo Next Page
To Next Page IconTo Next Page
To Previous Page IconTo Previous Page
To Previous Page IconTo Previous Page
Loading...
L
N
0-10V
1
2
5
6
3
4
EA1
tQ
DE1
DE2
DE3
145
157
40A
40
230 V, 50 Hz
57
2
22
21
56
K2
K1
A1
A2
A1
A2
2
14
13
222.4
224.7
230 V/50 Hz
230 V/50 Hz
40
Low voltage
LON
OTS
1
KTS
3
1
2
tP
X3.7
X3.6
145
X3.2
X3.1
X3.3
KO1B/KO2B/KW6B
L
N
S
P
Ö
1
2
1
2
L
N
ID: 4605059_1304_06
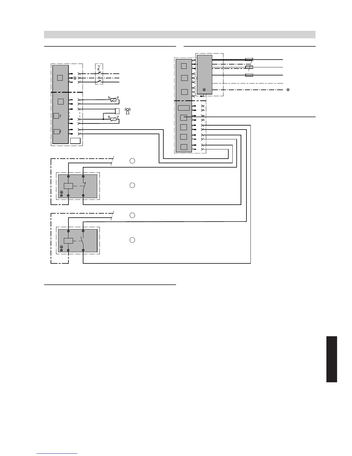
Control panel
L3
N
L2
L1
400 V, 50 Hz
16 A
16 A
16 A
L3
N
L2
L1
ID: 4605059_1304_06
Vitocal 300-A/350-A
(cont.)
System examples
VIESMANN
233
5822 472 GB
7

Other manuals for Viessmann Vitocal 200-A

Related product manuals