EasyManua.ls Logo

Viessmann Vitocal 200-A - Page 41

Viessmann Vitocal 200-A
236 pages
Print Icon
To Next Page IconTo Next Page
To Next Page IconTo Next Page
To Previous Page IconTo Previous Page
To Previous Page IconTo Previous Page
Loading...
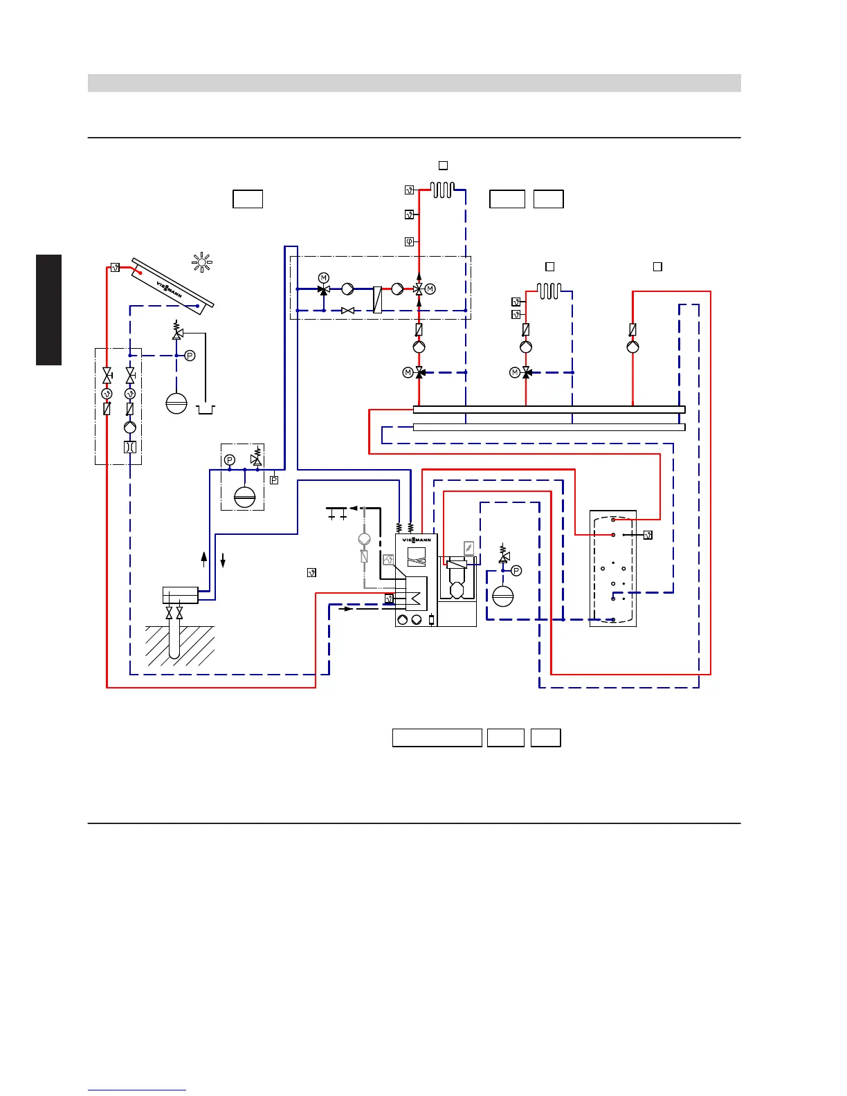
Hydraulic installation scheme ID: 4605509_1304_01
P1
KW
WW
--2/X3.8;3.9--
--2/212.3--
P1
--2/F0--
--47/6--
----47/24--
--2/F4--
--2/212.2--
--2/F12--
--2/225.1--
--74/20--
-2/225.2;3-
--105/2--
-105/20-
-105/52-
--105/20--
--80/X4.1;2--
--2/211.5--
--8/145--
--8/145--
--8/145--
--47/24--
oE
qE
qW
8
--145--
--145--
--145--
--145--
oU
2
--F0--
--F4--
--F12--
--X18--
--KM BUS--
--X3.8;3.9--
--211.3--
--211.5--
--212.2--
--212.3--
--224.4--
--225.1--
--225.2;3--
--230V--
14
eP
eU
rQ
3
wP
wW
wU
wQ
rO
rE
rW
rR
rT
zP
zQ
oZ
A1
oP
M2
uP
q-T
--2--
--KM BUS--
--230V--
--20--
--52--
M3
q-P
oQ
oQ
oQ
uZ
uU
uE
uR
q-E
iE
iT
iR iW
iQ
iP
q-U
q-Z
q-R
rU
--230V--
--24--
--KM BUS--
--5--
--6--
--47/5--
rZ
--230V--
--R1-6--
--2/211.5--
qCP
qCQ
--130/R1-6--
Note: This scheme is a general example without shut-off valves or safety equipment. This does not replace the need for on-site engineering.
Vitocal 222-G/242-G/333-G/333-G NC/343-G
(cont.)
46
VIESMANN
System examples
2
5822 472 GB

Other manuals for Viessmann Vitocal 200-A

Related product manuals