EasyManua.ls Logo

ViewLight CSO SL-9900 - Page 15

Default Icon
36 pages
Print Icon
To Next Page IconTo Next Page
To Next Page IconTo Next Page
To Previous Page IconTo Previous Page
To Previous Page IconTo Previous Page
Loading...
24/52
INSTRUCTIONS FOR USE
EN
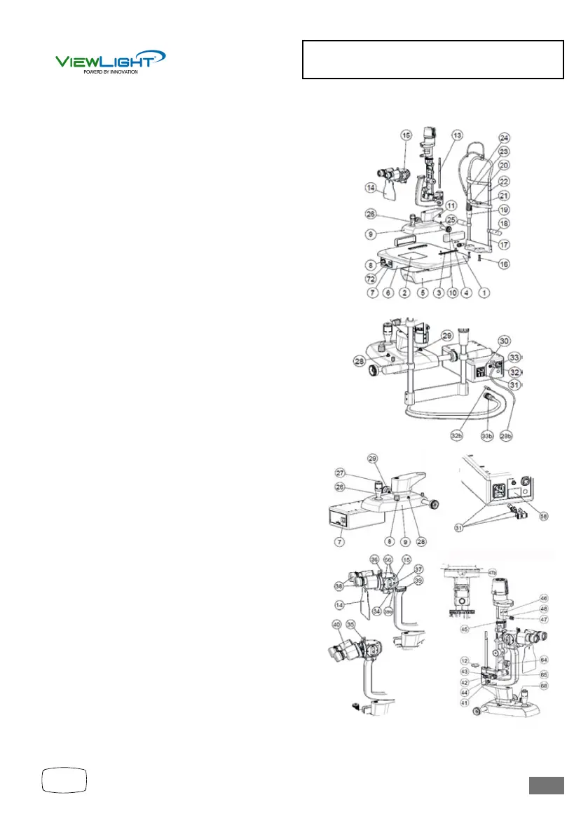
1. Shaped table top.
2. $;YomvѴb7bm]rѴ-|;ĺ
3. Geared guides.
4. Wheel shields.
5. 11;vvou7u-;ub|_]b7;vĺ
6. Transformer.
7. Main switch with light indicator.
8. ub]_|m;vv1om|uoѴhmo0ĺ
9. u|_o]om-ѴѴlobm]0-v;ĺ
10. Geared wheel.
11. Lamp holder / LED-holder fastening screw.
12. om|vrѴ]Ĺ1-Ѵb0u-ঞomuo7ĺ|omol;|;urѴ-|;
13. -Ѵb0u-ঞomuo7ĺ
14. Shielding glass.
15. Microscope.
16. Chinrest module fastening screw.
17. Chinrest module.
18. -ঞ;m|Ľv_-m7Ѵ;ĺ
19. _bmu;v|_;b]_|-7fvঞm]ubm]m|ĺ
20. Chinrest.
21. _bmu;v|r-r;uCbm]rbo|vĺ
22. ;rovbঞombm]u;=;u;m1;bm7;ĺ
23. Headrest.
24. b-ঞomrobm|ĺ
25. ;b1;0-v;Ѵo1hbm]hmo0ĺ
26. ovঞ1h =ou Ѵ-|;u-ѴķѴom]b|7bm-Ѵ -m7;uঞ1-Ѵ lo;-
l;m|vŐķķőĺ
27. -r|ubm]|ub]];u0om
28. -v;Ŋ|oŊ|u-mv=oul;u1omm;1ঞomvo1h;|ĺ
28b.omm;1|ou=ou0-v;Ŋ|oŊ|u-mv=oul;uvo1h;|
29. (b7;o1-l;u-1omm;1ঞomvo1h;|ĺĺ
30. -bmvvo1h;|ĺ
31. Voltage switch and fuse seat.
32. b-ঞomrobm|ro;uvo1h;|ĺ
32b.b-ঞomrobm|ro;uvrrѴ1omm;1|ou
33. oŊoѴ|-];|u-mv=oul;uo|r|vo1h;|ĺ
33b.Connector for transformer output.
34. b1uov1or;Ѵo1hbm]hmo0ĺ
35. b1uov1or;vrѴb;uhmo0ĺ
36. Ѵou;v1;bmCѴ|;uvbmv;uঞomuo7ĺ
37. -]mbC1-ঞom|m;
38. |u-1|-0Ѵ;;;rb;1;vĺ
39. b1uov1or;rovbঞombm]Ѵo1hĺ
39b.b1uov1or;rovbঞombm]Ѵo1hbm]]u0v1u;ĺ
40. Binocular.
41. b1uov1or;-ulCbm]hmo0ĺ
42. uof;1|ou-ulCbm]hmo0ĺ
43. uof;1|ourovbঞombm]v1-Ѵ;ĺĺ
44. "Ѵb|b7|_-7fvঞm]hmo0vĺ
45. u-7-|;7v1-Ѵ;ƖƏŦŊƏŦŊƖƏŦ|o1-Ѵ1Ѵ-|;vѴb|bm1Ѵbmঞom

Related product manuals