EasyManua.ls Logo

ViewSonic VG2030m-1 - Page 77

ViewSonic VG2030m-1
83 pages
Print Icon
To Next Page IconTo Next Page
To Next Page IconTo Next Page
To Previous Page IconTo Previous Page
To Previous Page IconTo Previous Page
Loading...
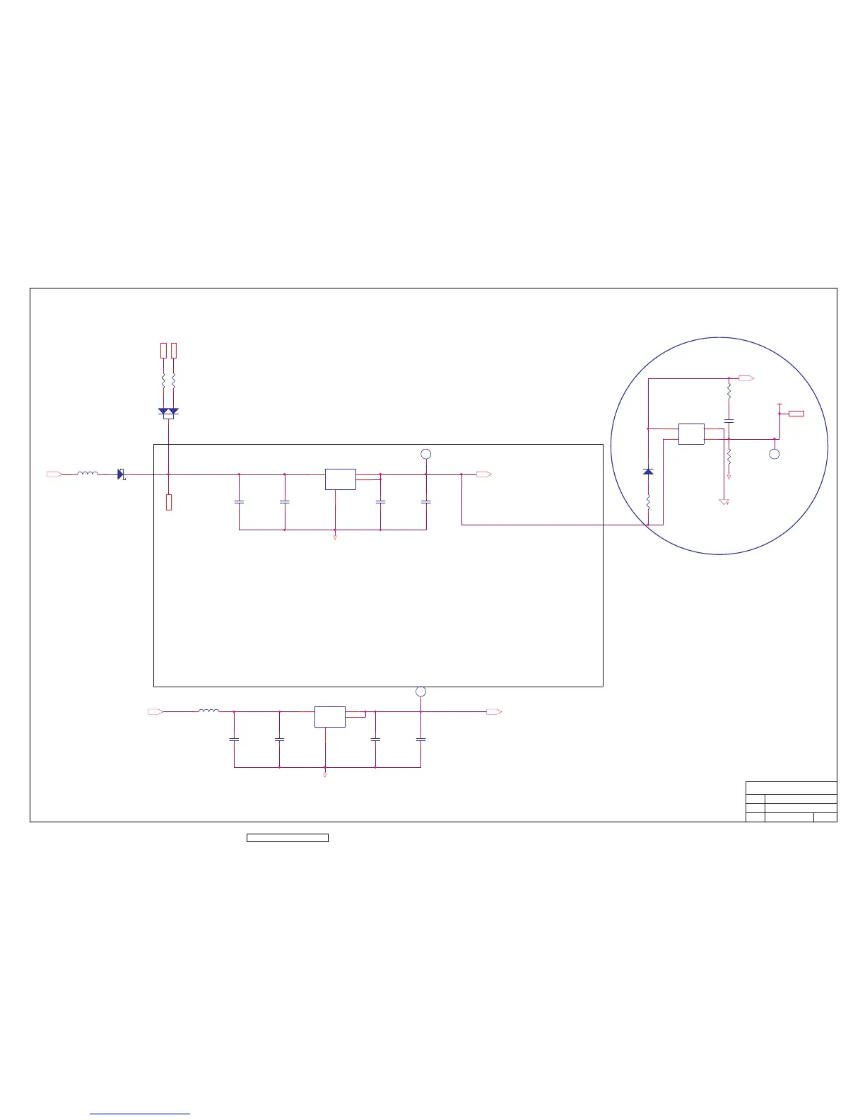
V33P
V33C
V33CV5A
V33PV5A
DVI_5V
VGA_5V
VCTRL
V18C
Vref
GND
GND
V18C
GND
(SCALER VCC)
(POWER FOR SCALER)
(Panel VCC)
Heat-Sink
C53
0603/100n/25V/7/RoHS
C53
0603/100n/25V/7/RoHS
C43
0603/100n/25V/7/RoHS
C43
0603/100n/25V/7/RoHS
R5
0603/0R/5%/open
R5
0603/0R/5%/open
C160
0805/4.7u/16V/Y
C160
0805/4.7u/16V/Y
1
2
3
D7
BAV70W/open
D7
BAV70W/open
C44
1206/22u/16V/Y/RoHS
C44
1206/22u/16V/Y/RoHS
R1
0603/0R/5%/open
R1
0603/0R/5%/open
B
1
C
2
E
3
GND
4
Q8
H2907AS
Q8
H2907AS
GND
1
VOUT
2
VIN
3
VOUT
4
U6
LM1117MPX-3.3/RoHS
U6
LM1117MPX-3.3/RoHS
R203
0603/2K/1%
R203
0603/2K/1%
1 2
D9
B240A-F
D9
B240A-F
1 2
D35
1N4148WS-F
D35
1N4148WS-F
C52
1206/22u/16V/Y/RoHS
C52
1206/22u/16V/Y/RoHS
GND
1
VOUT
2
VIN
3
VOUT
4
U4
LM1117MPX-3.3/RoHS
U4
LM1117MPX-3.3/RoHS
C51
0603/100n/25V/7/RoHS
C51
0603/100n/25V/7/RoHS
TP
1
V33P1
V33P1
R202
0603/51R/1%
R202
0603/51R/1%
TP
1
V33C1
V33C1
C42
1206/22u/16V/Y/RoHS
C42
1206/22u/16V/Y/RoHS
L18
FBMJ2125HS420/PbF
L18
FBMJ2125HS420/PbF
TP
1
V18V1
V18V1
L9 FBMJ2125HS420/PbFL9 FBMJ2125HS420/PbF
C45
0603/100n/25V/7/RoHS
C45
0603/100n/25V/7/RoHS
C50
1206/22u/16V/Y/RoHS
C50
1206/22u/16V/Y/RoHS
R204
0603/100R/1%
R204
0603/100R/1%
ViewSonic Corporation Confidential - Do Not Copy
74
Model
Title
Date Rev:
ViewSonic Corporation
VG2030m-1

Related product manuals