EasyManua.ls Logo

ViewSonic VS11354 - Block Diagram

ViewSonic VS11354
67 pages
Print Icon
To Next Page IconTo Next Page
To Next Page IconTo Next Page
To Previous Page IconTo Previous Page
To Previous Page IconTo Previous Page
Loading...
ViewSonic Corporation Confidential - Do Not Copy VA1930wm-1
52
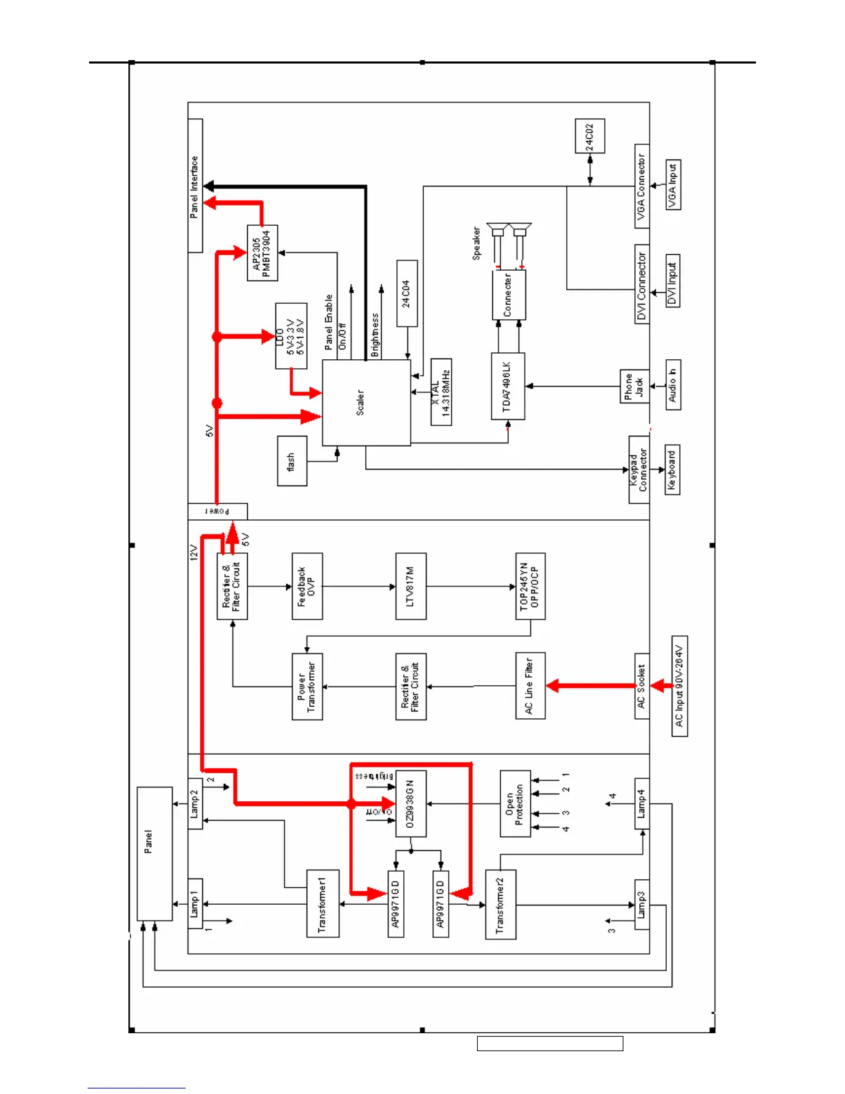
9. Block Diagram

Related product manuals