EasyManua.ls Logo

Viking VCSB423D - 42 W. Dispenser Model Wiring

Viking VCSB423D
41 pages
Print Icon
To Next Page IconTo Next Page
To Next Page IconTo Next Page
To Previous Page IconTo Previous Page
To Previous Page IconTo Previous Page
Loading...
39
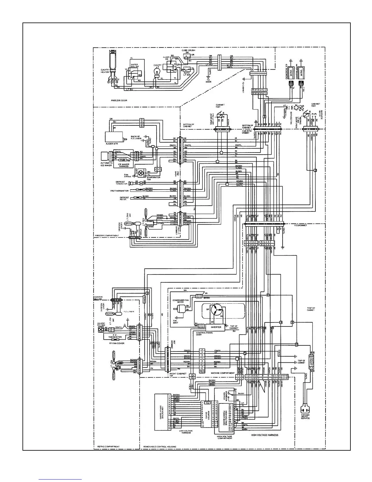
WIRING DIAGRAM
BUILT-IN SIDE-BY-SIDE 42” W. REFRIGERATOR - DISPENSER MODEL
WWAARRNNIINNGG::
EELLEECCTTRRIICCAALL
GGRROOUUNNDDIINNGG
IINNSSTTRRUUCCTTIIOONNSS
This appliance is
equipped with a three
prong grounding plug
for your protection
against shock hazard
and should be
plugged directly into
a properly grounded
three prong
receptacle. DO NOT
CUT OR REMOVE
THE GROUNDING
PRONG FROM THIS
PLUG.
RREEFFEERR OONNLLYY TTOO
FFEEAATTUURREESS WWHHIICCHH
AARREE EEQQUUIIPPPPEEDD WWIITTHH
TTHHIISS UUNNIITT..

Related product manuals