EasyManua.ls Logo

VISIO E70-C3 - Page 53

VISIO E70-C3
75 pages
Print Icon
To Next Page IconTo Next Page
To Next Page IconTo Next Page
To Previous Page IconTo Previous Page
To Previous Page IconTo Previous Page
Loading...
52
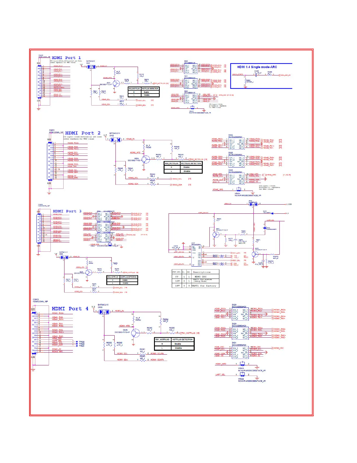
04 HDMI Interface