EasyManua.ls Logo

Vivotek PZ8121 - Status Led

Vivotek PZ8121
152 pages
Print Icon
To Next Page IconTo Next Page
To Next Page IconTo Next Page
To Previous Page IconTo Previous Page
To Previous Page IconTo Previous Page
Loading...
VIVOTEK
User's Manual - 5
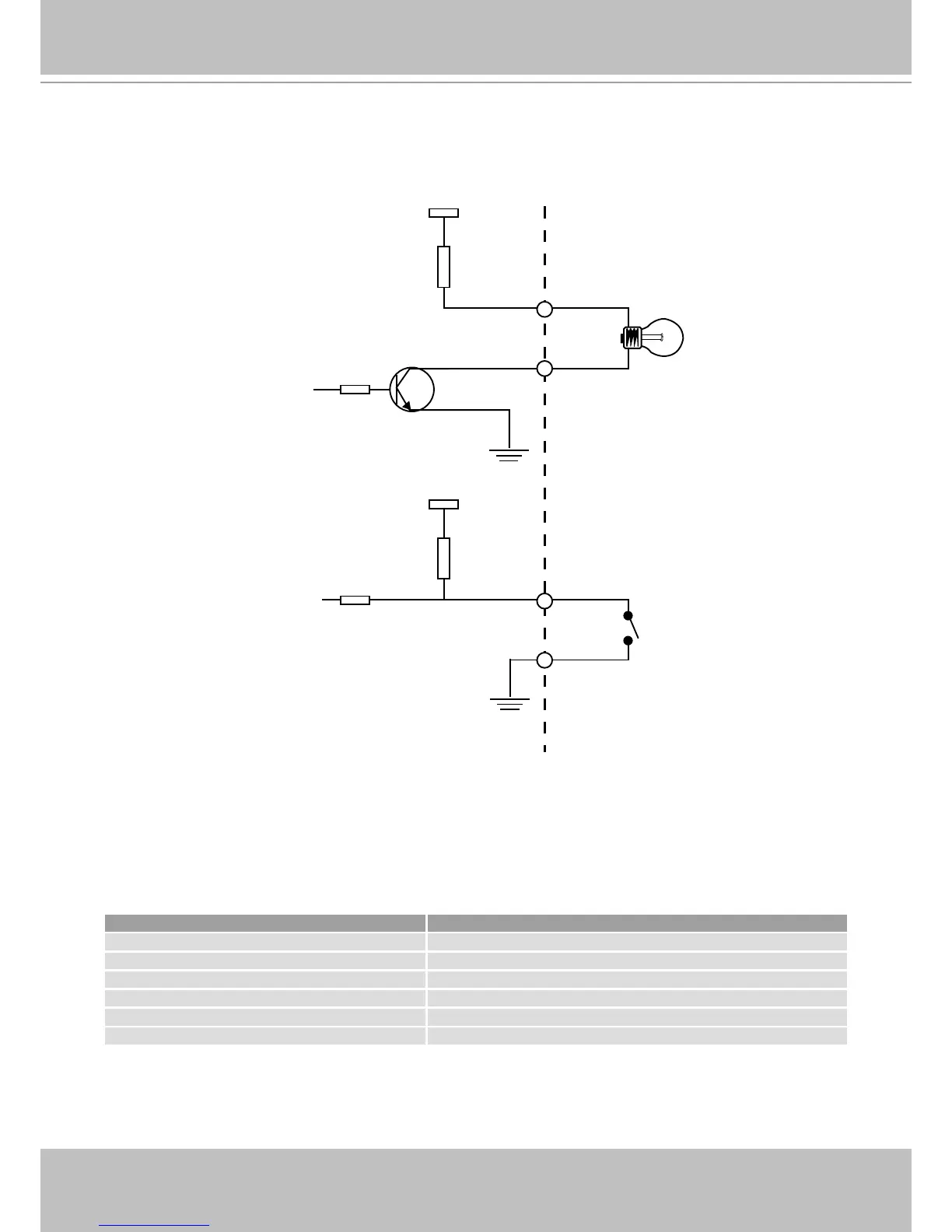
DI/DO Diagram
Please refer to the following illustration for the connection method�
Status LED
The color of LED indicates the status of the Network Camera�
Status LED Color Description
Blinking red Power is being supplied to the Network Camera�
Solid green The Network Camera is booting up�
Steady green with blinking red The Network Camera is trying to obtain an IP address�
Steady green and red An IP address is successfully assigned to the Network Camera�
Steady red with blinking green The Network Camera is working�
Blinking red and green During firmware upgrade�
12V
+12V
Digital output
PIN 1
Power+12V
PIN 2
Digital input
PIN 3
Ground
PIN 4

Table of Contents

Other manuals for Vivotek PZ8121

Related product manuals