Home
Volvo
Car Stereo System
Delphi
Page 46 (Note: for Detailed, Vehicle Specific, Electrical)
Volvo Delphi - Note: for Detailed, Vehicle Specific, Electrical
47 pages
Manual
Save Page as PDF
To Next Page
To Next Page
To Previous Page
To Previous Page
Loading...
V
olvo
T
rucks
North
America,
Inc.
Date
Group
No.
Page
Service
Bulletin
4.2004
392
08
46(47)
6
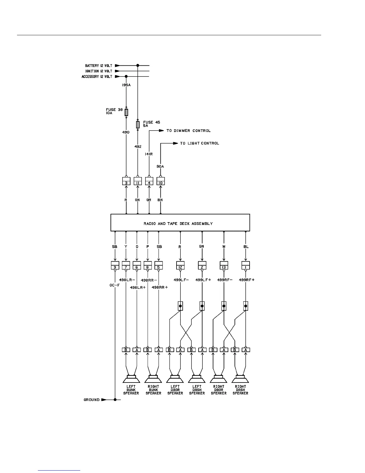
Speaker
System
Schematic
W3003399
Note:
For
detailed,
vehicle
specific,
electrical
schematics
see:
VN/VHD
Series
Electrical
Schematics
–
Group
37.
45
47
Table of Contents
Main Page
Table of Contents
1
Audio System
1
Volvo VN Sound System
2
Radio Signals
3
Noise
9
Troubleshooting Consideration
10
Stereo Receiver
11
Weatherband Family
11
Operating Instructions
12
High Performance Family
14
Compact Disc Player
25
Compact Disc Care
26
CD Changer - High Performance Family
27
Inserting Discs
29
CD Changer Magazine
29
Amplifier
38
Speakers
39
Antenna
41
Schematics
45
Note: for Detailed, Vehicle Specific, Electrical
46
Related product manuals
Volvo Delco
47 pages
Volvo HU-850
7 pages