EasyManua.ls Logo

Volvo EC460B - Pump Circuit (D10 B)

Volvo EC460B
339 pages
Print Icon
To Next Page IconTo Next Page
To Next Page IconTo Next Page
To Previous Page IconTo Previous Page
To Previous Page IconTo Previous Page
Loading...
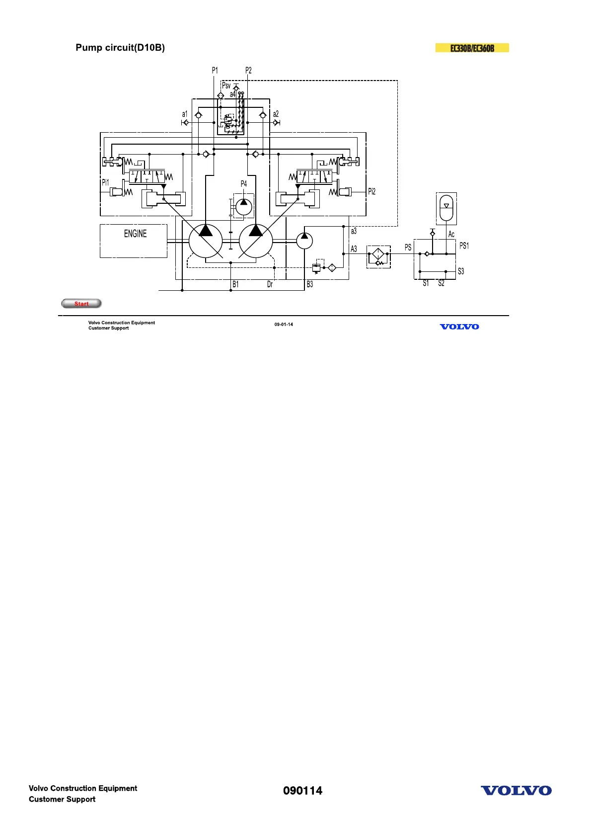
Pump circuit(D10B)
Picture text:

Related product manuals