EasyManua.ls Logo

Volvo EC460B - Shunt Valve Operation

Volvo EC460B
339 pages
Print Icon
To Next Page IconTo Next Page
To Next Page IconTo Next Page
To Previous Page IconTo Previous Page
To Previous Page IconTo Previous Page
Loading...
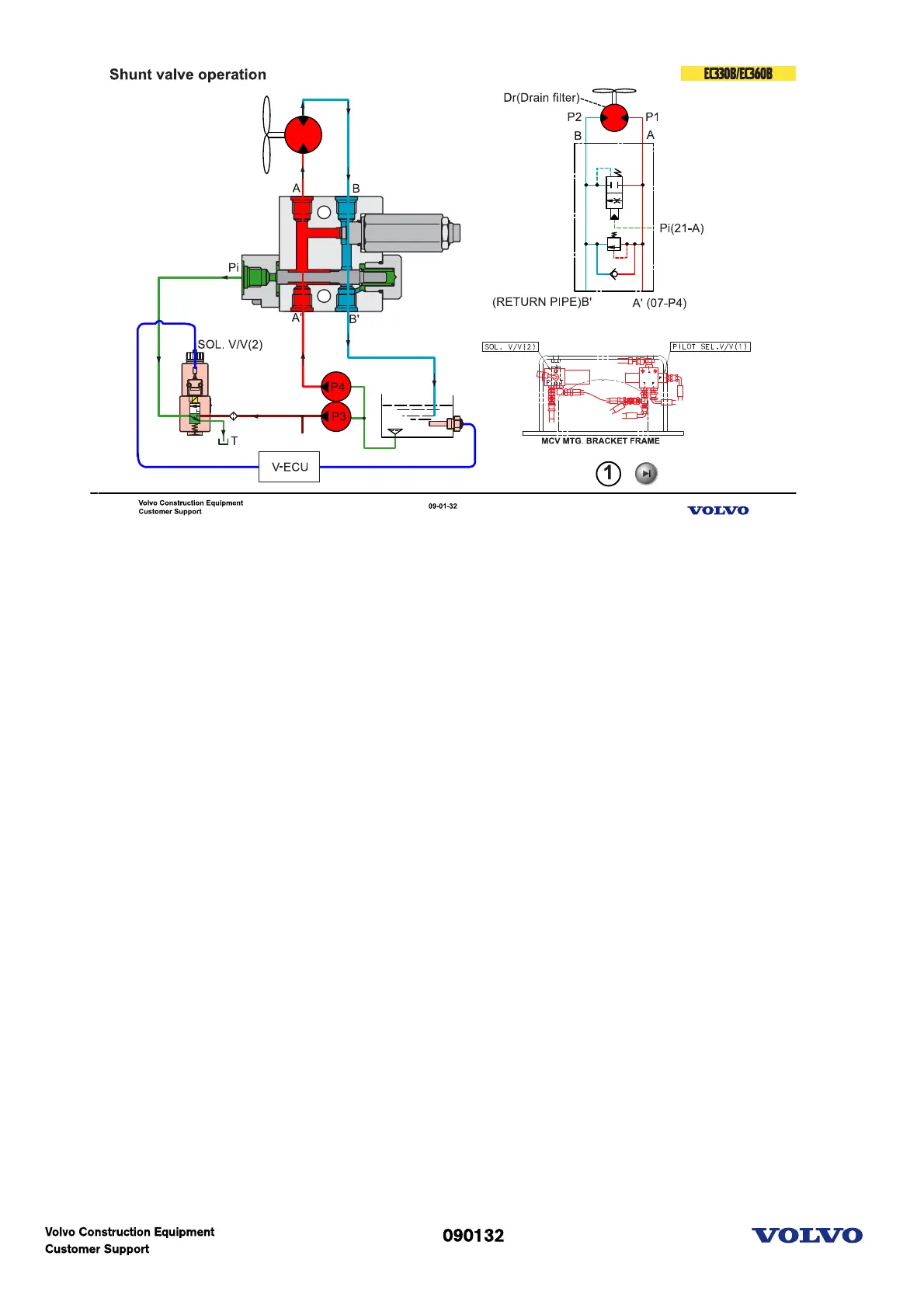
Shunt valve operation-1
When the hydraulic oil temperature is higher than 70 celsius, the solenoid valve relay is at OFF position
due to hydraulic oil temperature sensor. P1 pump does not flow through the solenoid valve.
All of P2 pump oil flows to shunt valve A' port, then through shunt valve A port, rotating fan motor to high
speed. The fan motor speed maintains to high speed until the hydraulic oil temperature reaches 50 celsius.
Shunt valve operation-2
When the hydraulic oil temperature is lower than 70 celsius, the solenoid valve relay is at ON position due
to hydraulic oil temperature sensor. P1 pump flow to solenoid valve, then through shunt valve Pi port,
moves shunt valve spool to the right. Some amount of oil supplied from P2 pump to shunt valve A' port
flows to B' port through shunt valve spool and is drained to tank. Therefore the oil supplied to fan motor
(M) is decreased, the fan motor rotates at low speed until the hydraulic oil temperature reaches 70 celsius.
Picture text:

Related product manuals